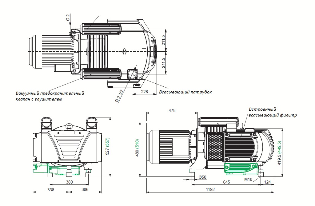
Описание модели Avior 2.360
Одноступенчатый пластинчато-роторный насос для создания сухого вакуума в закрытых камерах. Работает без смазки в рабочей камере – откачиваемый воздух не содержит паров масла, что делает насос безопасным для чувствительных производств и лабораторий.
Преимущества
- 100% безмасляная рабочая камера – чистый вакуум без масляного загрязнения;
- Пластины ротора из графитного композита: износостойкость и стабильная работа без смазки;
- Встроенная тепловая защита для безопасной работы;
- Надёжная электрозащита и класс изоляции F;
- Степень защиты корпуса IP55 – защита от брызг и посторонних частиц в рабочей зоне;
- Уровень шума напрямую связан с высокой производительностью: насос уверенно справляется даже с тяжёлыми задачами;
- Универсален: применим в пищевой, деревообработке, химии, полиграфии, фармацевтике, медицине, лабораториях и упаковочных линиях.
Технические характеристики
- Производительность: до 351 м³/ч;
- Предельное остаточное давление: 200 мбар;
- Электропитание: трехфазный двигатель класса IE3 380 В, 11 кВт, 1475 об/мин;
- Уровень шума: до 80,5 дБ.
Может безмасляный вакуумный насос проработать 20 000 часов без техобслуживания?
Стандартный безмасляный пластинчато-роторный насос при эксплуатации без смазки обычно демонстрирует ресурс порядка 5 000 часов до необходимости техобслуживания. Серия Avior спроектирована и изготовлена с учётом увеличенного рабочего ресурса и рассчитана на эксплуатацию не менее 20 000 часов (эквивалентно примерно 3 годам непрерывной работы) без планового технического обслуживания при соблюдении условий эксплуатации.
Ключевое отличие − специальные графитовые лопатки. Это снижает риск образования частиц износа в выхлопе и делает эти насосы применимыми в производственных процессах и средах, где критична чистота рабочего выхода и минимальное вмешательство в обслуживание.
Электродвигатели
- Однофазные на 220 вольт до типоразмера 4.40 включительно;
- Трехфазные на 380 вольт для всех моделей;
Корпус насоса надежно электрозащищен (класс изоляции F и степень защиты корпуса IP55).
Условия эксплуатации
- Относительная влажность воздуха не более 90%;
- Воздух не должен содержать примесей агрессивных или взрывоопасных газов, пыли и других включений;
- Допустимая температура в помещении – 5-40 °C;
- Температура на поверхности насоса во время работы может достигать +90°C;




































_1.jpg)




























































































































































































































































Гарантия 24 мес.
