Видео

Обзор пластинчато-роторного вакуумного насоса ZENOVA LT

Какой вакуумный насос лучше для старта под вакуумом?
Влияет ли глушитель на уровень вакуума в вакуумных насосах?
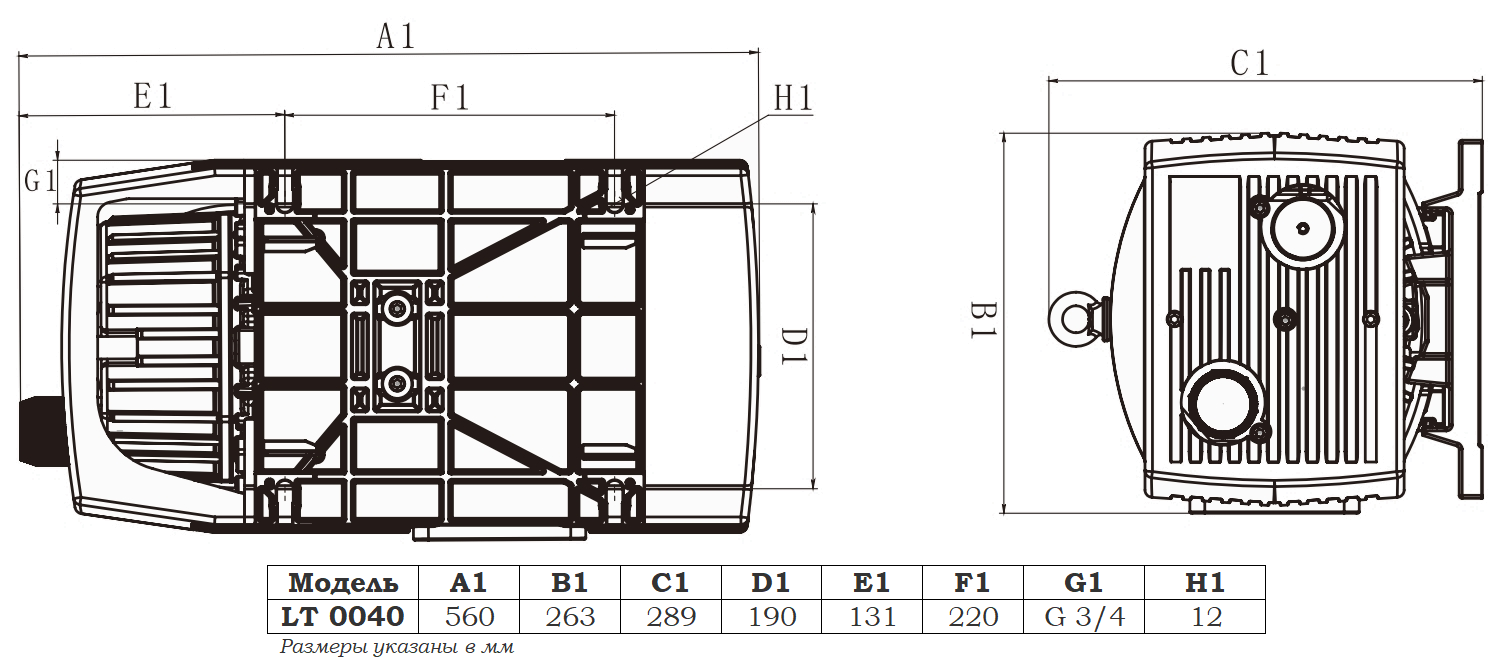
Описание модели LT 0040_380
Сухой пластинчато-роторный вакуумный насос Vetlan LT 0040_380 работает с чистым воздухом и инертными газовыми смесями. Насос способен откачать закрытый объем воздуха до остаточного давления 150 мбар. Он не требует заправки вакуумным маслом, используется в приложениях, где важно, чтобы воздух на выходе оставался чистым и безопасным. Страна производства насоса Китай.
Vetlan LT 0040_380 имеет компактные габариты, насос и двигатель имеют общий вал, вентилятор двигателя охлаждает корпус двигателя и насоса.
Объемный расход насоса до 40 м3/ч (666.7 л/мин), предельное остаточное давление до 150 мбар.Вакуумное подсоединение G 3/4".
Мощность двигателя 1,25 кВт, 1460 об/мин (4Р), стандартное питание 380 В. На шильдике двигателя указана потребляемая мощность для идеальных условий работы. На практике двигатели могут потреблять существенно больше тока. Перед установкой автомата защиты рекомендуется провести контрольный пуск и измерить фактическое потребление.
Уровень шума насоса 67 дБ.
Область применения
Сухие вакуумные насосы Zenova LT обеспечивают не такой глубокий вакуум по сравнению с масляными насосами, зато не боятся утечек воздуха и могут длительное время работать в диапазоне остаточного давления от 100 до 1000 мбар. Отсюда основные сферы их применения:
1. Прижим деталей на станках в деревообработке, металлообработке, обработке композитных деталей
2. Прессование при помощи вакуума
3. Захват материала и его транспортирование при помощи вакуума
4. Системы пневмотранспорта
5. Подача, удержание бумажных листов в полиграфии
6. Вакуумная формовка
Условия эксплуатации
- Относительная влажность воздуха 30 – 90%
- Рабочая температура 7 – 80°C
Материалы конструкции
- Корпус – алюминий
- Рабочее колесо – конструкционная сталь
- Лопатки – графит
Габаритный чертеж модели Vetlan LT 0040_380




































_1.jpg)




























































































































































































































































Гарантия 18 мес.