Видео

Пластинчато-роторный насос – Zenova LXV /// КАК ЕГО РАЗОБРАТЬ ? ///

пластинчато-роторный насос Zenova LXV /// КАК ПРАВИЛЬНО СОБРАТЬ ///

Безмасляный пластинчато роторный вакуумный насосс Zenova LXV

Какой вакуумный насос лучше для старта под вакуумом?
Влияет ли глушитель на уровень вакуума в вакуумных насосах?
Описание модели LXV0040_380
Сухой пластинчато-роторный вакуумный насос Vetlan LXV0040_380 работает с чистым воздухом и инертными газовыми смесями. Насос способен откачать закрытый объем воздуха до остаточного давления 250 мбар. Он не требует заправки вакуумным маслом, используется в приложениях, где важно, чтобы воздух на выходе оставался чистым и безопасным. Страна производства насоса Китай.
Vetlan LXV0040_380 имеет компактные габариты, насос и двигатель имеют общий вал, вентилятор двигателя охлаждает корпус двигателя и насоса.
Объемный расход насоса до 40 м3/ч (666,7 л/мин), предельное остаточное давление до 250 мбар.Вакуумное подсоединение G 3/4".
Мощность двигателя 1,5 кВт, 1450 об/мин (4Р), стандартное питание 380 В.
Уровень шума насоса 66 дБ.
Материалы конструкции
- Корпус – алюминий
- Рабочее колесо – конструкционная сталь
- Лопатки – графит
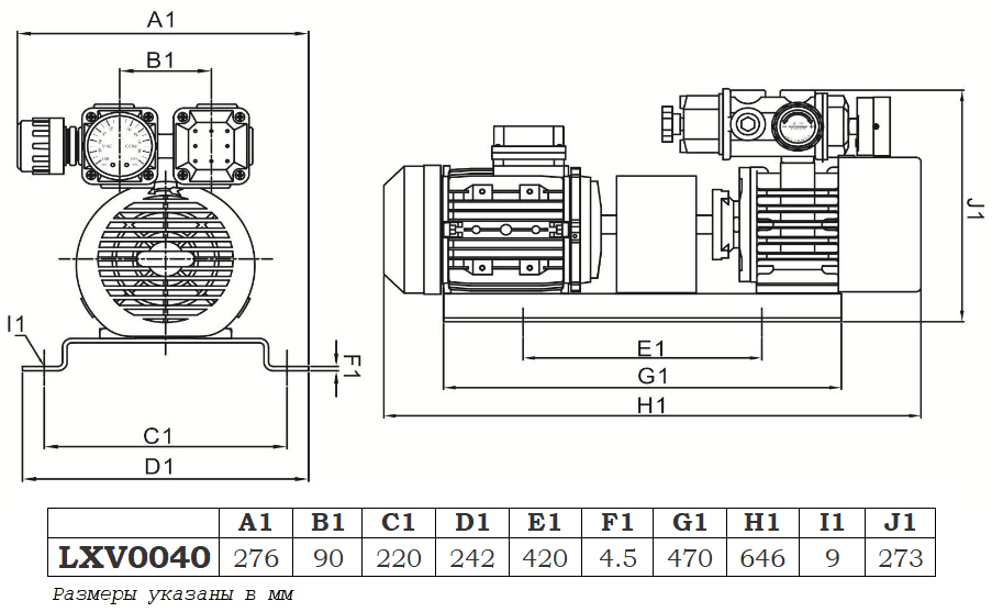
Габаритный чертеж модели LXV0040_380




































_1.jpg)
































































































































































































































































Гарантия 12 мес.
