Описание модели UVD6 (220В)
Пластинчато-роторный одноступенчатый безмасляный (сухой) вакуумный насос UVD6 (220В) итальянской фирмы Pneumofore имеет рабочую точку по производительности 6 м³/час при остаточном давлении 120 мбар. Обратите внимание, что в других каталогах часто указывают максимальные значения производительности и давления, которые не следует учитывать при подборе.
Комплектация
Безмасляный вакуумный насос UVD6 (220В) укомплектован предохранительным клапаном, всасывающим штуцером, глушителем, виброопорой. Прямое соединение ротора вакуумного насоса с валом электродвигателя обеспечивает высокий показатель надежности. Наличие мощного вентилятора гарантирует надлежащее охлаждение вакуумного насоса. Уровень шума на входе составляет всего 58 дБ.
Аксессуары
Воздушный фильтр на входе с металлическим колпаком, вакуумметры для каждой установки, бронзовый обратный клапан, клапаны регулирования вакуума.
Как выглядит безмасляный вакуумный насос UVD6 (220В)?
Ниже приведено ТОЧНОЕ внешнее изображение данной модели. Обратите внимание, что оно может отличаться от изображения, приведенного выше.

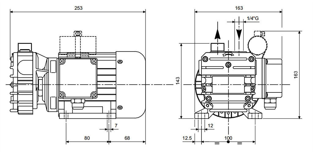
Габаритный чертеж безмасляного вакуумного насоса Pneumofore UVD6
Кривые производительности
У нас пока нет отзывов по этой модели.
В настоящее время никто вопросов не задавал. Вы можете быть первым.




































_1.jpg)




























































































































































































































































Гарантия 12 мес.