Описание модели F 100/200A
Центробежный насос Pedrollo F 100/200A – это консольно-моноблочный насос с фланцевыми патрубками. Насос перекачивает чистую и слегка загрязненную воду и неагрессивные к чугуну жидкости. Используется для решения задач водоснабжения, орошения, циркуляции. Применяется в промышленности и коммунальной сфере, в сельском хозяйстве и в установках тушения пожаров. Насос производится на заводе Pedrollo в Италии, производственные площади завода расположены в г. San Bonifacio (VR).
Производительность насоса от 50 до 315 м3/час (833 - 5250 л/мин), напор от 38 до 63 м.в.ст.
Рабочая точка производительности 250 м3/ч (4167 л/мин) при напоре 51 м.в.ст. КПД насоса в указанной точке около 81 %.
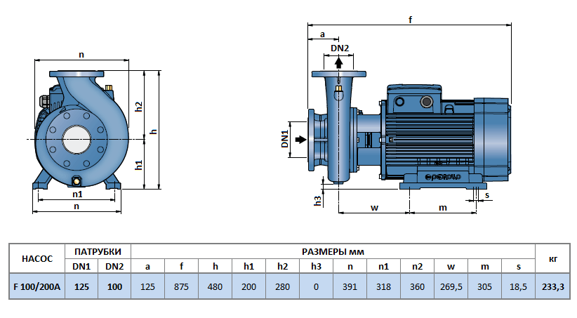
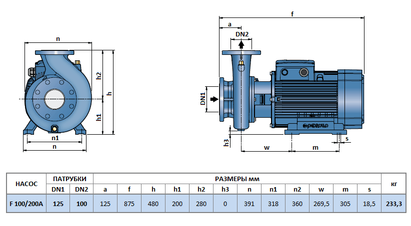
Диаметр напорного патрубка 100 мм, всасывающего 125 мм.
Электроприводом насоса служит асинхронный трехфазный двигатель 380 В - 50 Гц, 2900 об/мин - 2Р, мощностью 45 кВт. IE3. Режим работы двигателя S1.
Условия эксплуатации насосов Pedrollo F
- Температура перекачиваемой жидкости от -10 до +90 ºС.
- Температура окружающей среды от -10 до +40 ºС.
- Давление в корпусе насоса не должно превышать 10 бар.
- Для всех моделей Pedrollo F допускается круглосуточная эксплуатация (S1).
Что входит в комплект поставки
- Насос.
- Инструкция на русском языке.
- Гарантия 24 месяца (отдельный гарантийный талон не предусмотрен).
Габаритный чертеж насоса Pedrollo F 100/200A




































_1.jpg)




























































































































































































































































Гарантия 24 мес.