Описание модели IR32-160 SB
Центробежный насос Saer IR32-160 SB итальянского производства широко применяется в коммунальной сфере, пожаротушении и для решения любой другой задачи, где необходимо обеспечить циркуляцию жидкости в системе. Он позволяет перекачивать чистую или слегка загрязненную жидкость без твердых и волокнистых включений. Перекачиваемая жидкость должна быть химически неактивной по отношению к материалам насоса.
Производительность насоса колеблется от 6 до 28 м3/час (от 100 до 467 л/мин), а напор соответственно от 20 до 32 м.в.ст. При этом, оптимальная рабочая точка производительности 22,5 м3/ч (375 л/мин) при давлении 25,5 м.в.ст.
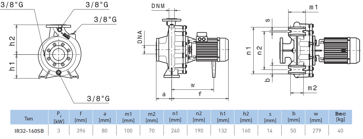
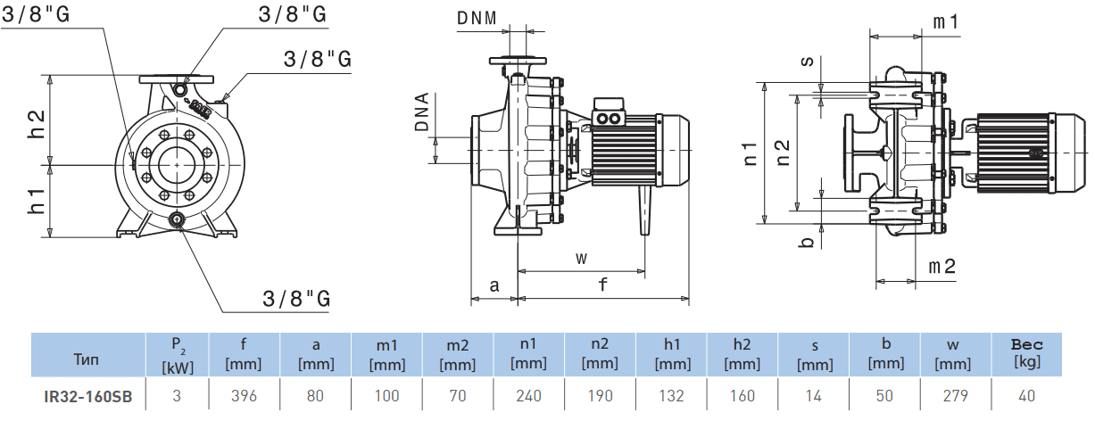
Насос IR32-160 SB оснащен асинхронным двигателем мощностью 3 кВт, 2900 об/мин (2Р), частота: 50 Гц. Параметры защиты: IP55, изоляция класса F.
Материалы конструкции
Корпус – чугун.
Рабочее колесо – чугун или литая углеродистая сталь (зависит от модели).
Вал – нержавеющая сталь.
Механическое уплотнение – карбид кремния или графит (зависит от модели).
Условия эксплуатации
- Температура перекачиваемой жидкости – от -15 до +90оС (до +120оС по запросу).
- Температура окружающей среды не более +40оС.
- Максимальное давление в корпусе насоса - до 10 бар (до 16 бар по запросу).
- Максимальное содержание твердых частиц – до 65 грамм/м3.
- Максимальный размер твердых частиц – 3 мм.
Комплект поставки
- Насос с фланцевыми раструбами.
- Инструкция на русском языке.
Ответные фланцы поставляются по запросу.
График рабочих характеристик центробежного насоса Saer IR32-160 SB
Габаритный чертеж насоса Saer IR32-160 SB




































_1.jpg)




























































































































































































































































Гарантия 60 мес.