Видео
Разборка насоса

ZENOVA ZS, как правильно разобрать
Сборка насоса

ZENOVA ZS – как правильно собрать
Описание модели ZS50-32-200-040
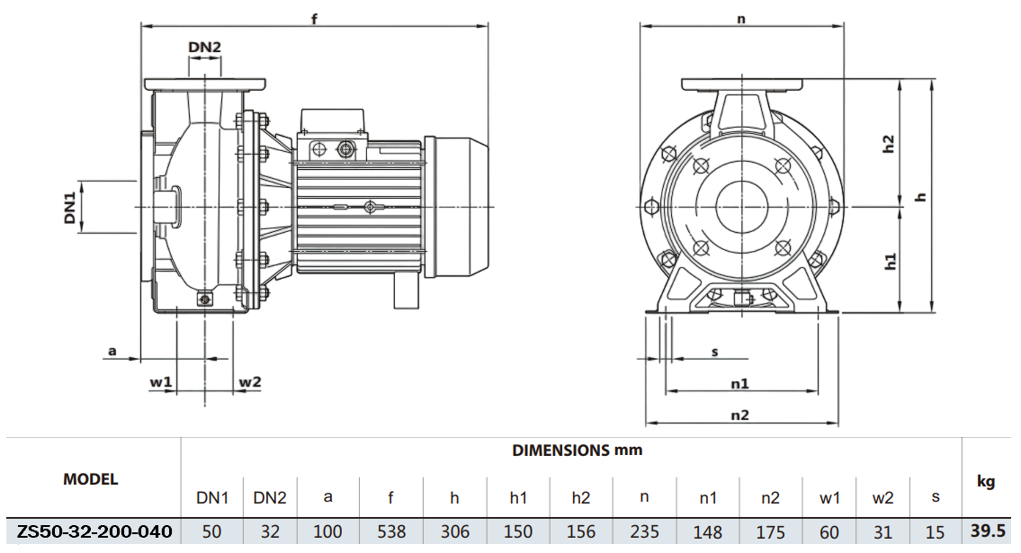
Центробежный насос Zenova ZS50-32-200-040 позволяет перекачивать воду и прочие неагрессивные к нержавеющей стали жидкости. Конструкция насоса моноблочного типа с прямым присоединением двигатель-насос, патрубки фланцевые – всасывающий DN50, подающий DN32.
Производительность насоса колеблется от 0,1 до 24 м3/час (от 1,7 до 400 л/мин), а напор соответственно от 37 до 55 м.вод.ст. При этом оптимальная рабочая точка производительности 18 м3/ч (300 л/мин) при напоре 43,5 м.вод.ст.
Насос оснащен трехфазным асинхронным двигателем 380 В, 2900 об/мин, мощностью 4 кВт.
Преимущества
Поскольку насос выполнен из нержавеющей стали, его при определенных условиях можно использовать для перекачивания пищевых жидкостей, соков, слабых кислот, щелочей и растворителей при условии, что они не агрессивны по отношению к нержавеющей хромоникелевой стали AISI 304 и материалу уплотнения (графит/карбид кремния и FKM).
Ограничения по эксплуатации
- Температура перекачиваемой жидкости от -20 до +120 ºС.
- Температура окружающей среды от -10 до +50 ºС.
- Давление в корпусе насоса не должно превышать 16 бар.
- Высота над уровнем моря: до 1000 м.
- Насос предназначен для перекачивания чистой, негорючей, невзрывоопасной, не содержащей твердых включений и волокон жидкости.
- Допускается круглосуточная эксплуатация (S1).
Электродвигатель
- Все модели насосов Zenova ZS оснащаются однофазными и трехфазными двигателями TEFC, 2-полюсными.
- Класс энергоэффективности IE3.
- Класс защиты IP 55.
- Класс изоляции F.
- Стандартное напряжение: 50 Гц
Области применения
- Водоснабжение;
- Системы орошения и очистки;
- Подача технической жидкости;
- Перекачивание слабых растворов кислот и щелочей;
- Водоподготовка;
- Пищевая промышленность
- Сельское хозяйство;
- Медицина и др.
Габаритный чертеж модели Zenova ZS50-32-200-040
Материалы конструкции

| 1. Корпус насоса – нержавеющая сталь AISI 304 | 9. Шариковый подшипник | 17. Сквозной болт – сталь |
| 2. Импеллер – нержавеющая сталь AISI 304 | 10. Статор с обмоткой/ротор – сталь/медь | 18. Клеммная коробка – алюминий |
| 3. Механическое уплотнение - графит-карбид кремния- нержавеющая сталь AISI 304 | 11. Корпус двигателя – алюминий | 19. Клеммная колодка – пластик |
| 4. Защитный экран – нержавеющая сталь AISI 304 | 12. Ножка – пластик | 20. Шпонка импеллера – чугун |
| 5. Уплотнительное кольцо – NBR | 13. Крышка двигателя – чугун | 21. Дефлектор воды – NBR |
| 6. Соединение – чугун | 14. Усиленное уплотнение – NBR | 22. Гайка импеллера – оцинкованная сталь |
| 7. Вал – нержавеющая сталь AISI 304 | 15. Крышка вентилятора – алюминий | 23. Соединительный болт – сталь |
| 8. Усиленное уплотнение – NBR | 16. Вентилятор – пластик |




































_1.jpg)
































































































































































































































































Гарантия 24 мес.
