Описание модели NR 50/125C/A
Линейный циркуляционный насос NR 50/125C/A - это мощный фланцевый циркуляционный насос для систем отопления или водоснабжения. Перекачивает воду или гликолесодержащие жидкости в замкнутых системах. Патрубки насоса расположены в одну линию (inline исполнение).
Производительность насоса NR 50/125C/A колеблется от 15,0 до 39,0 кубометров в час (250,0 - 650,0 литров в минуту), напор соответственно от 8,3 до 17,4 метров водяного столба. При этом оптимальная рабочая точка производительности 27,0 кубометров в час (450,0 литров в минуту) при давлении 13,9 метра водяного столба. Показатель КПД насоса в указанной точке 71%. Манометрическая высота всасывания около 7 м.
Линейный насос NR 50/125C/A оснащен индукционным 2-полюсным двигателем (n = 2900 оборотов в минуту), с номинальной мощностью 1,5 кВт (380 вольт) и силой тока соответственно 4,3 А.
Ограничения по эксплуатации
- Температура внешней среды (воздуха): до 40°С
- Температура перекачиваемой среды: от -10 до 90°С
- Максимальное внутреннее давление: 10 атм.
- Высота подъема жидкости: не более 7 м водяного столба

Рисунок 1. Варианты монтажа насосов NR. Слева - вертикально, посередине - горизонтально на весу, справа - горизонтально на опоре (рекомендуется для мощности от 7,5 кВт.)
Конструкционные материалы
Элемент насоса | Используемые материалы
|
Вал | Для 1,5-7,5 кВт - хромистая сталь AISI 430, для 1,1 кВт - хромоникелевая сталь 1.4305 |
Мех. уплотнение | Карбон - Нитрил - Керамика |
Роторное колесо | Чугун AISI NO 30 B (для NR 50 — латунь ASTM C38000) |
Ответные фланцы | Сталь Fe 42 UNI 7070 |
Корпусная часть насоса Соединительная часть | Чугун AISI NO 30 B |
Другие исполнения по запросу
- С дополнительными напряжениями
- Для сред с более низкой или высокой температурой
- Со специальными механическими уплотнениями
- С защитой класса IP 55
По запросу предоставляются ответные фланцы:
Фланцы | Размеры |
Фланцы под приварку внахлест по стандарту | NR4 80, NR4 100 |
Резьбовые фланцы PN max 16 бар, норматив EN 1092-1 | NR, NR4 50, NR4 65 |
PN max 10 бар, EN 1092-1 | NR4 125 |
Визуальные преимущества серии NR

Рисунок 2. Визуальные преимущества серии NR
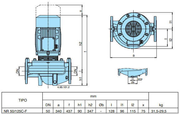
Габаритный чертеж насоса Calpeda NR 50/125C/A
Кривые производительности
У нас пока нет отзывов по этой модели.
В настоящее время никто вопросов не задавал. Вы можете быть первым.




































_1.jpg)




























































































































































































































































Гарантия 36 мес.