Описание модели ST-P AP0011BA00100
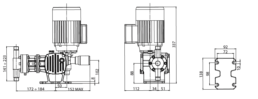
Плунжерный дозировочный насос Etatron ST-P AP0011BA00100 с механическим приводом используется для дозированной подачи жидких химических растворов. Насос способен обеспечить противодавление до 10 бар. Производительность насоса регулируется в ручном режиме при помощи микрометрического винта, который управляет длиной хода плунжера (поршня) в пределах 10% -100%. Регулировку можно проводить как на остановленном, так и на работающем насосе.
Корпус насоса отлит из алюминия и покрыт защитной краской. Основные материалы проточной части насоса – поливинилхлорид (ПВХ) и керамика. Перекачиваемая жидкость должна быть чистой. Наличие твердых примесей в насосе приводит к ускоренному износу элементов проточной части. Диапазон рабочей температуры жидкости от 0 до +40 °С.
Производительность модели до 11 л/час. Максимальное противодавление 10 бар.
Диаметр поршня 16 мм. Длина хода поршня 15 мм. Частота хода 60 тактов в минуту.
Присоединительный размер патрубков 1/2 " (внешняя BSPm резьба).
Высота всасывания насоса до 3 метров.
Насос оснащен трехфазным вертикально закрепленным электродвигателем 180 Вт (0,18 кВт), 230-400 В/ 50 Гц. Класс защиты IP55. Степень изоляции F. Направление вращения двигателя по часовой стрелке, обозначено стрелкой на корпусе двигателя.
Конфигурация проточной части насоса
Комплект поставки
Дозирующий насос поставляется с заглушенными входом (клапан забора) и выходом (клапан сброса) в индивидуальной картонной коробке, для любых видов перевозки. В каждой коробке находится инструкция-паспорт по установке и обслуживанию.
Габаритный чертеж насоса ST-P AP0011BA00100




































_1.jpg)




























































































































































































































































Гарантия 24 мес.