Описание модели DRG 550/2/80 B0FT5
Погружной дренажный насос Zenit DRG 550/2/80 B0FT5 итальянского производства собран в крепком чугунном корпусе. Насос рассчитан на работу в таких областях применения, как: очистка вод,
канализационные системы и животноводческие фермы. Особенно пригоден для обработки жидкостей, содержащих
твердые взвешенные тела, активный шлам с низкой или
средней плотностью.
Модель оснащена чугунной открытой многоканальной крыльчаткой, горизонтальным фланцевым напорным патрубком 80 мм и защитной системой, выталкивающей взвешенные твердые частицы диаметром до 50 мм. Насос опускается на глубину до 20 метров.
Производительность насоса имеет следующие показатели: оптимальная рабочая точка 86,4 м3 в час (1440 л/мин) при давлении 7,9 м водяного столба. Общая производительность насоса до 133,2 м3 в час (2220 л/минуту), при напоре до 18,6 м водяного столба.
Насос оборудован трехфазным двигателем мощностью 4 кВт, напряжением 380 вольт. Внутри статора двигателя установлена тепловая защита (биметаллическая), имеется датчик для обнаружения протечек воды через механическое уплотнение. Для обнаружения сигнала, поступающего из датчика, необходимо использовать устройство считывания, установленное в электрический щит управления.
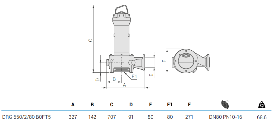
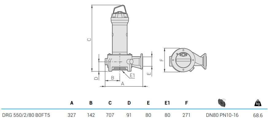
Габаритный чертеж насоса Zenit DRG 550/2/80 B0FT5
Кривые производительности
У нас пока нет отзывов по этой модели.
В настоящее время никто вопросов не задавал. Вы можете быть первым.




































_1.jpg)




























































































































































































































































Гарантия 12 мес.