Описание модели DG bluePRO 150/2/G50V A1CM5
Погружной фекальный насос Zenit DG bluePRO 150/2/G50V A1CM5 может перекачивать канализационные воды с содержанием твердых и волокнистых частиц. Этот насос может использоваться в сельском хозяйстве, промышленности, а так же для бытовых нужд.
Модель имеет чугунный корпус синего цвета и чугунную вихревую крыльчатку (Vortex). Глубоко посаженное рабочее колесо снижает КПД насоса, но зато дает возможность перекачивать длинные и волокнистые включения без риска, что они намотаются на рабочее колесо и заблокируют его. Свободный проход твердых частиц до 50 мм.
У насоса вертикальный резьбовой патрубок 2” (50 мм) и удобная рукоятка из прочного пластика. Внутри, в масляную камеру, установлены два механических уплотнения из карбида кремния. Третье сальниковое V-образное уплотнение непосредственно контактирует с жидкостью.
Насос устанавливается на грунт на встроенную опору из чугуна. Максимальная глубина погружения 20 метров.
Производительность насоса колеблется от 3,6 до 39 м3/час (60 - 650 л/мин), напор до 12,3 м вод. ст. При этом оптимальная рабочая точка 25,2 м3/час (420 л/мин) при давлении 5,3 м вод. ст.
Насос оснащен однофазным электродвигателем мощностью 1,1 кВт, 2900 об/мин, 220 В/50 Гц, IP 68. Двигатель оборудован тепловой защитой, конденсатором. Рассчитан на 30 запусков в час.
Условия эксплуатации
- Температура жидкости до +40 °C.
- Свободный просвет: от 40 до 50 мм в зависимости от модели.
- РН жидкости: от 6 до 14 pH.
- Глубина погружения: до 20 м.
- Вязкость обработанной жидкости: 1 мм2/с.
- Плотность обработанной жидкости: 1000 кг/м3.
- Акустическое давление: до 70 dB.
- Максимальное количество пусков: 30 в час.
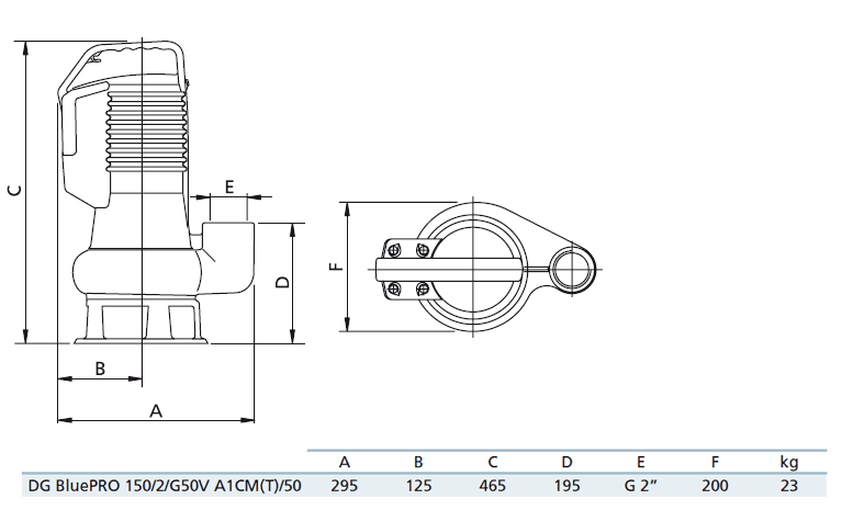
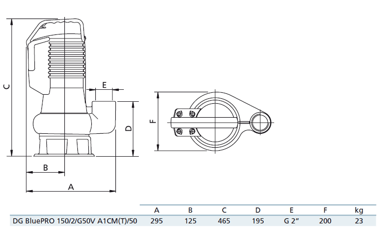
Габаритный чертеж насоса Zenit DG bluePRO 150/2/G50V A1CM5
Кривые производительности
У нас пока нет отзывов по этой модели.
В настоящее время никто вопросов не задавал. Вы можете быть первым.




































_1.jpg)




























































































































































































































































Гарантия 12 мес.