Описание модели DGE 100/2/G50V B0CM5
Погружной фекальный насос Zenit DGE 100/2/G50V B0CM5 пригоден для перекачивания биологических, слегка загрязненных и канализационных жидкостей. Рассчитан на умеренно интенсивное использование, преимущественно для промышленного и строительного применения. Для интенсивных промышленных задач не подойдет.
Модель имеет чугунный корпус и чугунную крыльчатку (Vortex). Глубоко посаженное рабочее колесо снижает КПД насоса, но зато дает возможность перекачивать длинные и волокнистые включения без риска, что они намотаются на рабочее колесо и заблокируют его. Свободный проход твердых частиц до 50 мм.
У насоса вертикальный резьбовой патрубок 2” (50 мм) и удобная рукоятка из нержавеющей стали. Внутри установлены комплект уплотнений, состоящий из одного механического уплотнения из карбида кремния и одного сальника. Насос устанавливается на грунт на встроенную опору. Максимальная глубина погружения 20 метров.
Производительность насоса до 35 м3/час (583 л/мин), напор до 12 м вод. ст. При этом оптимальная рабочая точка 21,6 м3/час (360 л/мин) при давлении 5,6 м вод. ст.
Насос работает на базе однофазного двигателя сухого типа мощностью 0,88 кВт, 2900 об/мин, 220 В/50 Гц, IP 68. Двигатель оборудован конденсатором, рассчитан на 30 запусков в час.
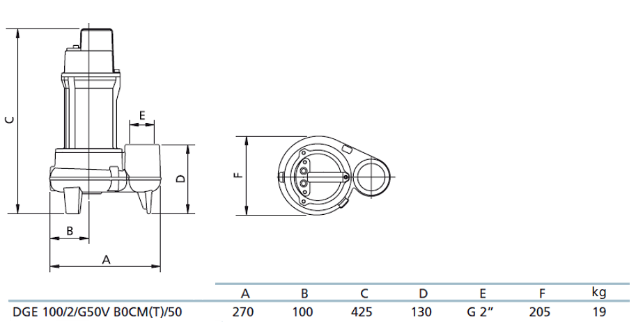
Габаритный чертеж насоса Zenit DGE 100/2/G50V B0CM5
Кривые производительности
У нас пока нет отзывов по этой модели.
В настоящее время никто вопросов не задавал. Вы можете быть первым.




































_1.jpg)




























































































































































































































































Гарантия 12 мес.