Описание модели КШХ 25/16.1 PFA
Шаровой химический кран Zenova КШХ 25/16.1 PFA используется в качестве запорной арматуры трубопроводов с кислотами, щелочами, солевыми растворами и некоторыми растворителями. Футерован материалом PFA (перфторалкоксидный полимер) с повышенной механической, термической и химической стойкостью по сравнению с футеровкой FEP. Изготовлен из легированной стали, которая отлично выдерживает низкие и высокие температуры.
- Диапазон рабочих температур составляет от -50 до +180 °С (при длительном воздействии высокой температуры лучше не превышать +160 °С). Максимально допустимая температура может быть снижена при высоком давлении или сверхвысокой агрессивности жидкости.
- Футеровка PFA дает лучшую химическую стойкость в сравнении со стандартным покрытием FEP, позволяя перекачивать концентрированные кислоты и щелочи. Однако перед заказом мы рекомендуем ознакомиться с таблицами химической совместимости, и убедиться, что перекачиваемое вами вещество не вступает в химическую реакцию с перфторалкоксидными полимерами.
- Также материал PFA более устойчив к истиранию, что гарантирует увеличенный срок службы кранов при интенсивной эксплуатации.
- Термозакаленная легированная сталь корпуса обеспечивает высокую прочность условиях как сверхнизких так и сверхвысоких температур.
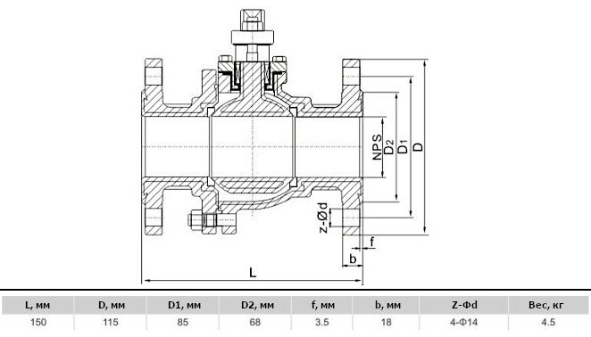
Кран рассчитан на давление до 1,6 МПа, что примерно соответствует 16 атмосферам. Условный проход составляет 25 мм или 1 дюйм. Посадочные отверстия совместимы со стандартными фланцами.
На нашем сайте представлена и более дешевая версия этого крана КШХ 25/16.1 FEP, которую можно использовать, если нет специальных требований к химической, температурной или механической стойкости материалов.




































_1.jpg)




























































































































































































































































Гарантия 18 мес.
