Видео
Обзор
Zenova Fans MAC – вентиляция для лаборатории. Химически стойкий вентилятор
Подробное сравнение

MAC и MPC сравнение химически стойких вентиляторов
Быстрое сравнение
Сравнение вентиляторов MAC и MPC
Описание модели MAC-F200-F4T
Центробежный полипропиленовый вентилятор Zenova Fans MAC-F200-F4T служит для удаления дыма и агрессивных паров, применяется в системах вентиляции цехов, лабораторий, складов. Вентилятор рассчитан на подачу воздушных масс повышенной влажности, рабочее колесо и корпус выполнены из полипропилена.
Температура перемещаемой среды до 60 °C.
Объёмный расход воздуха (производительность) до 2337 м3/ч, нагнетаемое давление 342 Па (максимальные и номинальные значения производительности и давления измерены с точностью +/- 15%).
Присоединительные отверстия круглые, диаметром 200 мм.
Вентилятор оборудован асинхронным трехфазным двигателем 380 В, 0,37 кВт, 4P, 1400 об/мин.
Управление скоростью выполняется с помощью преобразователя частоты.
Звуковое давление 69 дБ.
Конструкция
Конструкция вентиляторов включает в себя спиральный корпус (улитку), рабочее колесо, электродвигатель, кронштейн со стендом. Все элементы выполнены из химически стойких, не чувствительных к коррозии материалов.
- Спиральный поворотный корпус изготовлен из полипропилена (PP) белого цвета. Предусмотрено восемь стандартных положений корпуса с шагом 45°. Присоединительные отверстия круглые, размером 160-250 мм.
- Одностворчатое рабочее колесо с загнутыми вперед лопатками выполнено из полипропилена (PP).
- Двигатель находится за пределами воздушного потока. Скорость двигателя может регулироваться преобразователями частоты в пределах 35-65 Гц (преобразователь частоты не входит в комплект)
- Кронштейн и металлический стенд покрыты эпоксидной краской в цвет двигателя. Крепежные элементы из нержавеющей стали 304.
Конструкция позволяет отсоединять двигатель без отстыковки корпуса вентилятора от вытяжного канала.
Аэродинамические характеристики
Объёмный расход воздуха (производительность): 1284 - 4663 м3/ч
Нагнетаемое давление: 219 - 1409 Па
Звуковое давление: 65 - 86 дБ
Максимальные и номинальные значения производительности и давления измерены с точностью +/- 15%.
Условия эксплуатации
- Температура перемещаемой среды до 60 °C
- Температура окружающей среды от -20 до 40 °C. Допустима эксплуатация на улице, но обязательно под навесом во избежание солнечных лучей, т.к. от них полипропилен теряет свои свойства.
- Рабочее положение - горизонтальное
- Высота установки над уровнем моря не более 1000 м.
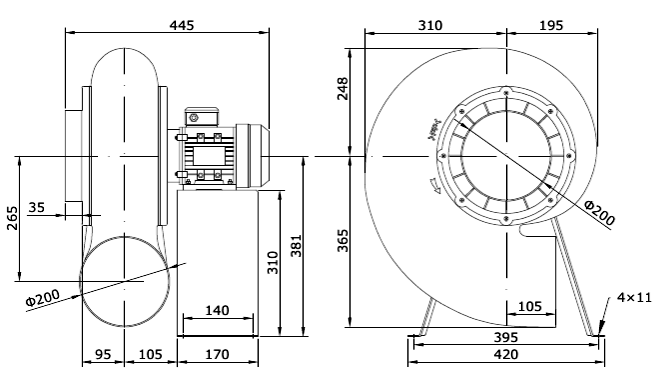
Габаритный чертеж модели MAC-F200-F4T




































_1.jpg)































































































































































































































































Гарантия 18 мес.
