Видео
Выбираем насос для химии
Как выбрать насос для кислоты и другой химии
Выставляем соосность
Как выставить соосность без специального оборудования
Описание модели 65FZB-20L_075
Самовсасывающий химический насос 65FZB-20L_075 – это футерованный фторопластом консольный насос с механическим уплотнением. Насос способен перекачивать концентрированные кислоты и их соединения, промышленные растворители и окислители. Допустимая плотность перекачиваемой жидкости 1.9 кг/дм3 (1900 кг/м3). Температурный диапазон перекачиваемой жидкости от -20 до 95°C.
Производительность насоса до 32 м3/ч (533,3 л/мин), напорное давление до 23 м.вод.ст. Самовсос до 3 м.
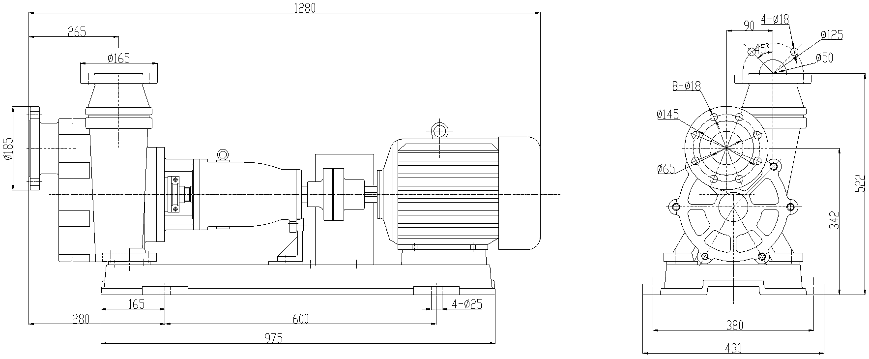
Всасывающий патрубок - фланец DN 65 мм, нагнетательный патрубок - фланец DN 50 мм.
Насос оборудован трехфазным двигателем 380 В, 2900 об/мин (2Р), мощностью 7.5 кВт.
Во избежание критической нагрузки на двигатель важно учитывать допустимую плотность перекачиваемой жидкости.
Габаритный чертеж модели Vetlan 65FZB-20L_075
Материалы конструкции
- Корпуса насосов FZB сделаны из чугуна, а проточная часть футерована фторопластом
- Рабочее колесо выполнено из фторопласта
По умолчанию используется фторопласт марки FEP (Ф-4МБ) - Вал насоса из конструкционной стали S45C (не контактирует с перекачиваемой жидкостью)
- Обратный клапан выполнен из резины
- Уплотнительные кольца (o-rings) тефлоновые (PTFE)
- Уплотнение механическое химостойкое SSIC-F46 (спеченный карбид кремния)
Условия эксплуатации
- Температура перекачиваемой жидкости должна быть в диапазоне от -20 до +95 °C
- Перекачиваемая жидкость должна быть чистой, размер твердых частиц не должен превышать 1 мм
- Плотность жидкости зависит от модели насоса и может достигать 1,9 кг/дм³
- Не допускайте холостого хода насоса
| Условия | Температура окружающей среды | Особенности эксплуатации |
|---|---|---|
| Нормальная работа | от 0 °C до +40 °C | Без ограничений |
| Работа в условиях пониженной температуры | от -25 °C до 0 °C | Требуется: – плавный пуск или – частотный преобразователь или – ручное проворачивание вала перед запуском (для проверки отсутствия замерзшей жидкости в уплотнении) |
Области применения
- Химическая промышленность
- Фармацевтика
- Косметическая промышленность
- Пищевая отрасль
- Очистка сточных вод
- Текстильная промышленность




































_1.jpg)




























































































































































































































































Гарантия 12 мес.
