Описание модели FRSP-50052
Самовсасывающий химический насос FRSP-50052 – это центробежный горизонтальный насос, выполненный из армированного стекловолокном полипропилена. Перекачивает химически активные жидкости с плотностью до 1.3 кг/дм3 (1300 кг/м3). Температурный диапазон перекачиваемой жидкости до 70°C.
Рабочая точка – 32,4 м3/час при 28 метрах. Самовсос до 6 м.
Диаметр патрубков – 50 мм.
Во избежание критической нагрузки на двигатель важно учитывать допустимую плотность перекачиваемой жидкости.
Ключевые особенности
- Материал корпуса из армированного полипропилена выдерживает более серьезные нагрузки и давление.
- Способны работать до 2 часов без жидкости (не сильно боятся сухого хода).
- У них есть сливное отверстие.
- Улучшенный КПД; более высокая производительность и напор при той же мощности.
Условия эксплуатации
- Температура перекачиваемой жидкости должна быть от 0 до +70 °C.
- Плотность жидкости зависит от модели насоса и может достигать 1,3 кг/дм³.
Области применения
- Химическая промышленность;
- Фармацевтика;
- Косметическая промышленность;
- Пищевая отрасль;
- Очистка сточных вод;
- Текстильная промышленность.
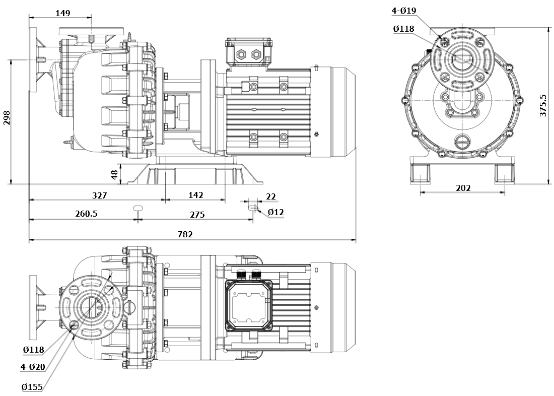
Габаритный чертеж модели ZY Technology FRSP-50052
Материалы конструкции

| 1. Патрубок с обратным клапаном – полипропилен, армированный стекловолокном | 8. Уплотнение – PTFE |
| 2. Прокладка – Viton | 9. Задняя крышка - полипропилен, армированный стекловолокном |
| 3. Корпус рабочей камеры - полипропилен, армированный стекловолокном | 10. Передняя часть уплотнения – PVDF |
| 4. Обратный клапан – NBR | 11. Задняя часть уплотнения - полипропилен, армированный стекловолокном |
| 5. Крышка обратного клапана - полипропилен, армированный стекловолокном | 12. Корпус насоса - полипропилен, армированный стекловолокном |
| 6. Импеллер - полипропилен, армированный стекловолокном | 13. Опорная рама - полипропилен, армированный стекловолокном |
| 7. Винт импеллера - полипропилен, армированный стекловолокном | 14. Двигатель |

Уплотнение и вал
Кривые производительности
У нас пока нет отзывов по этой модели.
В настоящее время никто вопросов не задавал. Вы можете быть первым.




































_1.jpg)





























































































































































































































































Гарантия 12 мес.
