Видео
Обзор
Импеллерный насос Vetlan MPR
Описание модели MPR-40S_220
Импеллерный насос Vetlan MPR-40S_220 применяется для перекачивания жидких и вязких растворов пищевой, химической, косметической промышленности. Запрещено использовать насосы в реверсом режиме (замена направления вращения двигателя на противоположное) – это может привести к преждевременному разрыву импеллера.
Рабочая точка модели - расход 12 м³/ч (200 л/мин), напор 30 м.
Самовсос до 5 метров.
Размер патрубков – 1 1/2".
Насос оснащен однофазным двигателем 220 В, количество оборотов – 1400 в минуту, частота 50 Гц, мощностью 1,5 кВт.
Материалы конструкции
- Корпус и вал насосов MPR выполнен из стали AISI 304.
- Гибкое рабочее колесо из силикона.
- Механическое уплотнение из карбида вольфрама и EPDM.
Комплект поставки
- Насос
- Насос с молочной гайкой поставляется по заказу
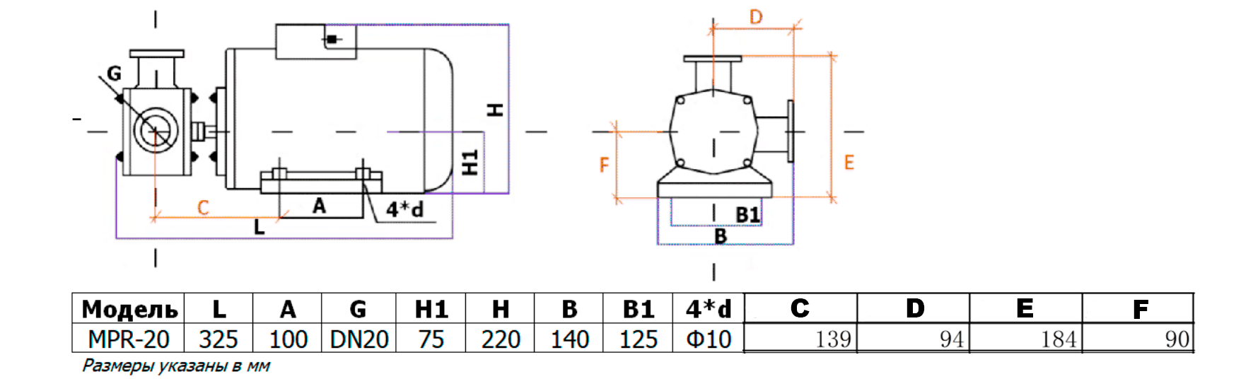
Габаритный чертеж модели MPR-40S_220
Кривые производительности
У нас пока нет отзывов по этой модели.
В настоящее время никто вопросов не задавал. Вы можете быть первым.




































_1.jpg)




























































































































































































































































Гарантия 12 мес.
