Описание модели CRC 0650
Когтевой вакуумный насос Zenova CRC 0650 позволяет откачивать закрытый объем воздуха до остаточного давления 60 мбар, а производительность достигает 650 м3/час. Он не требует заправки вакуумным маслом, вакуум достигается равномерно, воздух на выходе остается чистым и безопасным. Страна производства насоса Китай.
Zenova CRC 0650 не требует специального технического обслуживания и постоянной замены деталей.
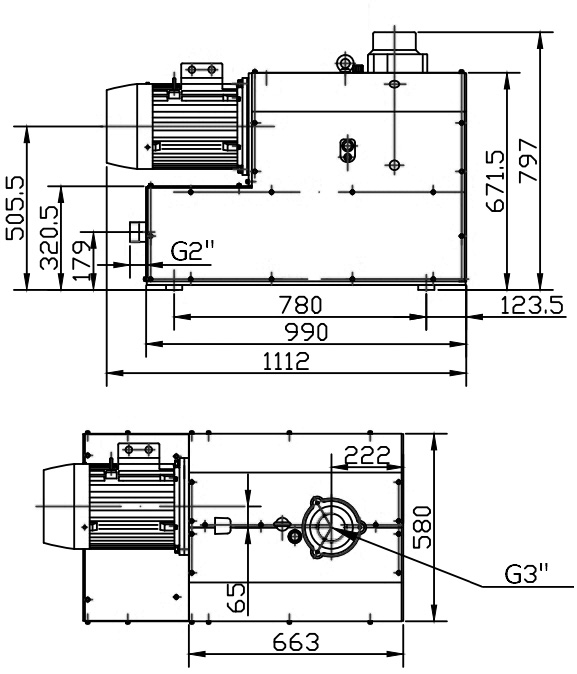
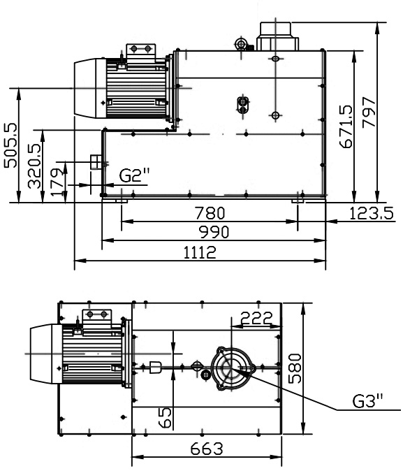
Входной патрубок G 3”, выходной патрубок G 2”.
Мощность двигателя 11 кВт, 2980 об/мин (2Р), стандартное питание 380 В.
Уровень шума насоса 76 дБ.
Условия эксплуатации
- Когтевые вакуумные насосы Zenova CRC не имеют механически изнашиваемых рабочих элементов (когтевидные кулачки рабочей камеры не соприкасаются друг с другом во время работы), поэтому не требуют специального технического обслуживания и периодической замены рабочих деталей.
- Температура окружающей среды должна быть в пределах от 5 до +40 C°.
- Температура воздуха на входе в вакуумный насос не должна превышать +40 C°.
- При эксплуатации учитывайте уровень шума насоса - от 70 до 76 дБ (в зависимости от модели).
Габаритный чертеж модели Zenova CRC 0650
Кривые производительности
У нас пока нет отзывов по этой модели.
В настоящее время никто вопросов не задавал. Вы можете быть первым.




































_1.jpg)




























































































































































































































































Гарантия 18 мес.
