Описание модели E60-02-220
Мембранный дозировочный насос ArkDose E60-02-220 с электродвигателем позволяет дозировать ингибиторы солеотложений и образования накипи, флокулянты, дезинфицирующие растворы, пищевые добавки, консерванты. Производительность регулируется оператором с помощью микрометрической ручки. Насос осуществляет дозированную подачу в соответствии с установленной частотой тактов от 10 до 100 % (100% = max 250 тактов в мин.).
Материал дозирующей головки - полипропилен, мембраны - PTFE. Седла выполнены из PTFE, шариковые клапаны из керамики, уплотнения из FKM. Корпуса насоса из пластика ABS/PVC. Класс защиты IP65.
Производительность 60 л/час, рабочее давление до 2 бар.
Соединения вход/выход DN15
Диаметр мембраны 60 мм.
Максимальная частота тактов 250 мин.
Длина хода поршня 4 мм. Объем хода 4 мл.
Рабочие параметры двигателя - питание 220 В (50 Гц), потребляемая мощность 15 Вт.
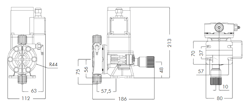
Габаритный чертеж насоса Arkdose E60-02-220




































_1.jpg)




























































































































































































































































Гарантия 12 мес.