Описание модели BA25SS-STT3-A
Мембранный пневматический насос BA25SS-STT3-A перекачивает в режиме самовсасывания жидкости и вязкие среды разнообразной химической структуры, в том числе с твердыми фракциями до 3 мм. Для работы насоса необходима подача сжатого воздуха с давлением до 8,3 бар.
Производительность модели от 1 до 192 л/мин (от 0,06 до 11,52 м3/час). Напор регулируется сжатым воздухом и достигает 83 метров. Высота самовсоса при пустой входной линии до 6,7 м. Присоединительный размер всасывающей и нагнетательной линии 1" NPT, воздушной линии - 1/4" NPT.
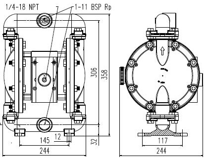
Габаритный чертеж насоса BA25SS-STT3-A
График характеристик насоса BA25SS-STT3-A
Материалы конструкции
- Корпус проточной части и седла – нержавеющая сталь
- Мембраны и шарики из PTFE




































_1.jpg)




























































































































































































































































Гарантия 12 мес.