Описание модели 200WQAS300-16-22/4
Канализационный насос Fancy 200WQAS300-16-22/4 – это центробежный погружной насос в корпусе из чугуна с режущим механизмом и рабочим колесом из нержавеющей стали. Насос позволяет откачивать сточную, грязную воду с содержанием взвешенных твердых и волокнистых частиц. Глубина погружения насоса до 5 метров.
Производительность насоса колеблется от 0,1 до 500 м3/час (1,7 – 8333,3 л/мин), напор от 4 до 32 м.в.ст.
При этом оптимальная рабочая точка 300 м3/час (5000 л/мин) при давлении 16 м.в.ст.
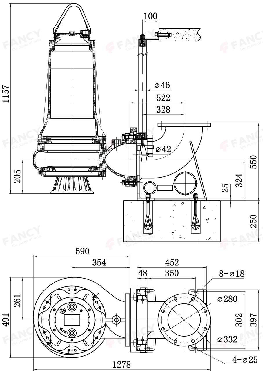
Напорный патрубок диаметром 200 мм, фланцевое присоединение. Диаметр твердых включений 40 мм.
Приводом насоса служит трехфазный двигатель 380 В - 50 Гц, 1450 об/мин - 4Р, мощностью 22 кВт.
Кабель электропитания длиной 8 метров.
Ограничения по эксплуатации
- Максимальная глубина погружения насосов: 5 метров.
- Максимальная температура перекачиваемой воды: +40 ºС.
- Кислотность жидкости: pH 4-10.
- Плотность жидкости: не более 1200 кг/м3.
- Массовая доля механических примесей: не более 2%.
- Максимальное рабочее давление – 6 бар.
- Длина кабеля: 8 метров. Минимальный уровень откачиваемой жидкости должен быть на уровне половины корпуса электродвигателя.
Материалы конструкции
- Корпус – чугун
- Импеллер – нержавеющая сталь 20Cr13
- Вал – SUS304
- Механическое уплотнение – SiC
Габаритный чертеж модели Fancy 200WQAS300-16-22/4
Кривые производительности
У нас пока нет отзывов по этой модели.
В настоящее время никто вопросов не задавал. Вы можете быть первым.




































_1.jpg)




























































































































































































































































Гарантия 12 мес.
