Видео
Тест на незамерзайке
Как хорошо насос Zenova из нержавейки справится с тосолом (незамерзайкой)?
Описание модели SC 70-055 v.380
Центробежный насос Zenova SC 70-055 v.380 имеет стандартный материал корпуса, вала и рабочего колеса – нержавеющую сталь AISI 304. Данная сталь устойчива к коррозии и идеально подходит для перекачивания химически активных жидкостей.
Максимальная производительность модели 7 м3/час (116,7 л/мин), максимальный напор 21 метр.
Рабочая точка – 4,2 м3/час (70 л/мин) при напоре 14 метров.
Патрубки с внутренней резьбой, всасывающий G 1 1/4", нагнетающий G 1".
Насос оборудован трехфазным двигателем 2900 об/мин, 380 В, номинальной мощностью 0,55 кВт.
Материалы конструкции
Корпус насоса, вал и рабочее колесо, а также прочие элементы - сталь AISI 304.
Механическое уплотнение: карбид кремния, нержавеющая сталь, EPDM.
Условия эксплуатации
- Температура перекачиваемой жидкости должна быть в диапазоне от -15 до +100 °C;
- Допустимая вязкость жидкости: до 30 сСт;
- Для работы насос должен быть установлен в горизонтальном положении.
Продукты и среды, для которых насосы серии Zenova SC гарантированно подойдут
- Спиртосодержащие жидкости, солевые растворы и т.д.
- Тосол, гликолевые смеси, незамерзающая жидкость.
- Перекись водорода, эссенции, лосьоны.
- Разбавленные кислоты и щелочи (совместимые с нержавейкой и EPDM).
- Пищевые невязкие жидкости.
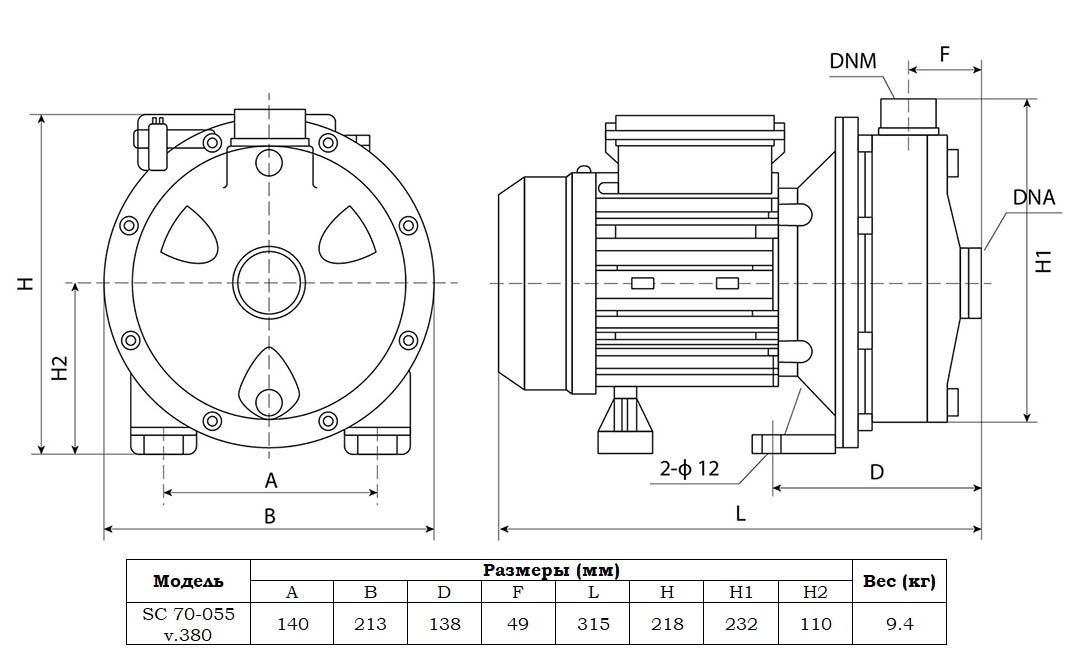
Габаритный чертеж модели SC 70-055 v.380




































_1.jpg)




























































































































































































































































Гарантия 24 мес.
