Описание модели 65NHCN-10
Полупогружной химический насос 65NHCN-10 позволяет перекачивать химически активные жидкости, в том числе сильно загрязненные. Насосная часть погружается в емкость с жидкостью, а двигатель с плитой остаются снаружи.
Максимальная производительность насоса 57 м3/час (950 л/мин), максимальный напор 27 м.в.ст.
Насос оснащен асинхронным двигателем мощностью 7,5 кВт, 2900 об/мин (2Р), напряжение 380 В, частота 50 Гц.
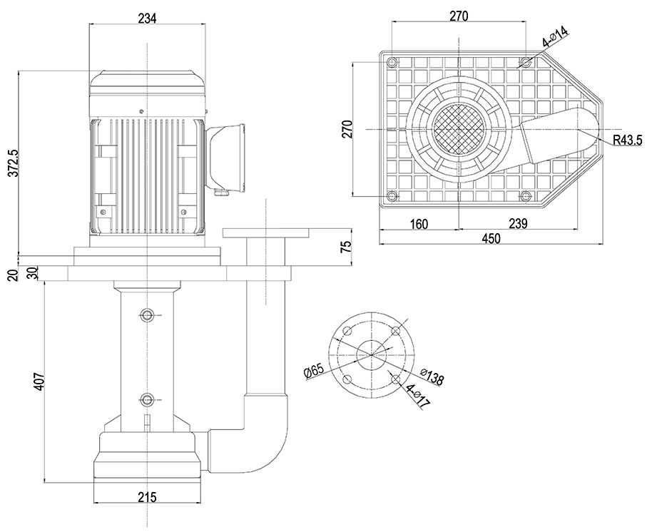
Длина погружной части – 407 мм, отверстия всасывания и нагнетания – 65 мм.
Материалы конструкции
Корпус и импеллер – полипропилен
Вал – сталь
Условия эксплуатации
- Температура жидкости должна быть в пределах от 0 до +80 °C
- Насосы не должны перекачивать вязкие жидкости
- Насосы могут работать только в вертикальном положении (наклон и горизонтальное положение не допускаются)
- Насос не может использоваться для полного опорожнения емкостей. Всасывающий патрубок должен быть на расстоянии не менее 100-150 мм от дна
- Глубина погружной части колеблется от 404 до 485 мм
Габаритный чертеж насоса Vetlan 65NHCN-10
Кривые производительности
У нас пока нет отзывов по этой модели.
В настоящее время никто вопросов не задавал. Вы можете быть первым.




































_1.jpg)




























































































































































































































































Гарантия 12 мес.