Описание модели A 65-150B/B
Насос A 65-150B/B итальянской фирмы Calpeda имеет рабочую точку по производительности 30 м3/ч при напоре 17,6 м.в.ст. Обратите внимание внимание, что в других каталогах часто указывают максимальные значения производительности и напора, которые не следует учитывать при подборе.
Электроприводом насоса служит трехфазный двигатель 380 В - 50 Гц, 2900 об/мин - 2Р, номинальная мощность 3 кВт. Кл. изоляции F. IP 54.
Способность модели A 65-150B/B к самозаливке
Ниже приведено время, необходимое для самозаливки насоса, зависящие от высоты подъема воды. Обратите внимание, что перед пуском насоса всухую в любом случае следует залить корпус насоса водой (см. Инструкцию).

Ограничения по эксплуатации
- Максимальное внутреннее давление: 6 атмосфер (для насосов типа A 80-170 — 10 атмосфер)
- Температура внешней среды — до 40°C.
- Температура перекачиваемой воды среды: от -10°C до 90°C
- Допускается эксплуатация в круглосуточном режиме
Конструкционные материалы
Деталь насоса |
B-A |
A |
|
Роторное колесо
Фланец на всасывании
Корпусная часть насоса
Соединительная часть
У моделей A65-A80 также крышка для осмотра
|
Бронза ASTM C90500 |
Чугун AISI NO 30 B |
Вал |
Хромоникелевомолибденовая сталь 1.4401 DIN (1.4436 ) |
Для моделей AE, A 65-150, BE — хромистая сталь 1.4104 DIN (AISI 430) |
Хромоникелевая сталь 1.4305 DIN (1.4305) | ||
Механическое уплотнение |
Керамика - Нитрил - Карбон | |
Другие исполнения по запросу
- с другими напряжениями
- со специальными механическими уплотнениями
- с основанием
- с защитой класса IP 55
- для сред с более низкой или высокой температурой
- с взрывозащищенным двигателем, соответствующем Директиве 94/9/CE (АТEХ)
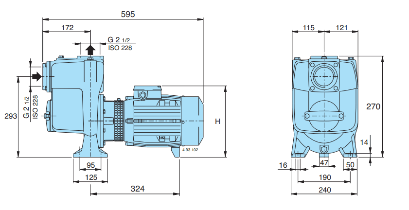
Габаритный чертеж насоса Calpeda A 65-150B/B
Кривые производительности
У нас пока нет отзывов по этой модели.
В настоящее время никто вопросов не задавал. Вы можете быть первым.




































_1.jpg)




























































































































































































































































Гарантия 36 мес.