Описание модели CM 41E
Центробежный поверхностный насос Calpeda CM 41E с открытым рабочим колесом позволяет перекачивать умеренно загрязненные, неагрессивные к чугуну жидкости и эмульсии температурой до 90 °C. В перекачиваемой среде допускается наличие твердых частиц диаметром до 4 мм.
Конструкция насоса моноблочного типа - прямое подсоединение «двигатель-насос-общий вал».
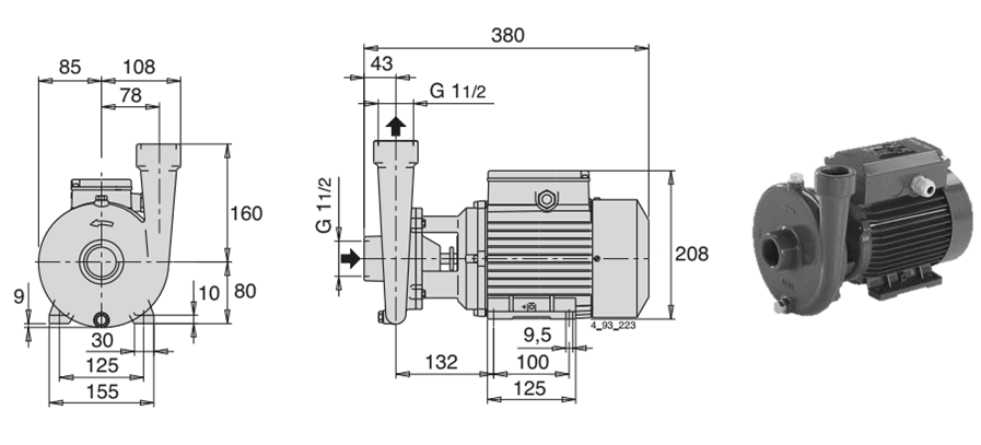
Патрубки с резьбовым присоединением G 1 1/2 ".
Корпус и соединительная часть выполнены из чугуна марки GJL-200. Рабочее колесо из латуни P CuZn40Pb2.
Вал из хромовой стали. Герметизация вала с помощью торцевого (механического) уплотнения, конструктивные материалы «Керамика-Нитрил-Карбон».
Насос оснащен опорными ножками, работает исключительно в горизонтальном положении в режиме всасывания или под гидравлическим напором. Высота всасывания до 8 м.
Производительность модели 4,8 - 15 м3/ч, что составляет 80 - 250 л/мин, напор до 22,4 м.
Рабочая точка 10,8 м3/ч при напоре 12,5 м. КПД в указанной точке 60 %.
Двигатель мощностью 1,1 кВт, 1Ф~, 220 В (50 Гц), номинальная скорость 2900 об/мин (2Р).
Коэффициент использования S1 (непрерывная эксплуатация). Кл. изоляции F. IP 54
Акустическое давление модели не более 70 дБ (А).
Сфера применения - промышленность, сельское хозяйство, частное использование.
Конструкционные материалы
|
Элемент насоса
|
B-C
|
C
|
|
Соединительная часть
|
Бронза ASTM C90500
|
Чугун AISI NO 30 B
|
|
Корпусная часть насоса
|
Бронза ASTM C90500
|
Чугун AISI NO 30 B
|
|
Механическое уплотнение
|
Керамика - Нитрил - Карбон
| |
|
Вал
|
Хромоникелевомолибденовая сталь 1.4436
|
Хромоникелевая сталь 1.4104 DIN
|
|
Для модели C 41 — Хромистая сталь 1.4305 DIN (1.4305)
| ||
|
Роторное колесо
|
Латунь ASTM C38000
| |
Другие исполнения по запросу
- Со специальными механическими уплотнениями
- С другими напряжениями
- Для сред с более низкой или высокой температурой
- С защитой класса IP 55
Габаритный чертеж насоса Calpeda CM 41E




































_1.jpg)




























































































































































































































































Гарантия 36 мес.