Описание модели VIN 85-2
Винтовой насос Vetlan VIN 85-2 предназначен для перекачивания вязких жидкостей. Корпус насоса выполнен из чугуна, шнек из стали 2Cr13. Насос имеет 2 рабочие ступени.
Максимальная производительность модели 55 м3/час (916,7 л/мин).
Максимальное давление 120 м.в.ст. (1,2 МПа).
Максимальная вязкость перекачиваемой жидкости - 1000 сСт. Диаметр твердых включений до 10 мм, длина волокнистых включений до 80 мм.
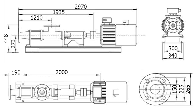
Фланцевые патрубки, 150 мм.
Насос оборудован трехфазным двигателем 432 об/мин, 380 В, номинальной мощностью 22 кВт.
Таблица вязкости
| Вязкость жидкости (сСт) | 1-1000 | 1000-10 000 | 10 000-100 000 | 100 000-1 000 000 |
| Скорость вращения двигателя (об/мин) | 400-1000 | 200-400 | <200 | <100 |
Конструкция и материалы насоса

| 1. Выходной патрубок | 5. Соединение шарнирного вала – NBR, сталь 2Cr13, чугун, нержавеющая сталь AISI 304 | 9. Букса | 13. Крышка подшипника |
| 2. Шпилька | 6. Входной патрубок | 10. Корпус подшипника | 14. Муфта |
| 3. Рабочая камера – NBR* | 7. Шарнирный вал – сталь 2Cr13 | 11. Подшипник | 15. Опора |
| 4. Шнек – сталь 2Cr13 | 8. Манжета –NBR | 12. Привод вала | 16. Двигатель |
*по запросу возможна поставка насосов с рабочей камерой из Viton
Ограничения по эксплуатации
- Максимальная температура перекачиваемой среды – 80 градусов
- Температура окружающей среды до +40°C
- Максимальная вязкость перемещаемого продукта 1000 сстокс (мПа*с)
Габаритный чертеж насоса Vetlan VIN 85-2
У нас пока нет отзывов по этой модели.
В настоящее время никто вопросов не задавал. Вы можете быть первым.




































_1.jpg)




























































































































































































































































Гарантия 12 мес.
