Видео
Сравнение водокольцевых насосов
Сравнение SKA-A с насосами SKA и Yulo 2BV
Как устроен водокольцевой насос
Анимация: устройство и принцип работы водокольцевого вакуумного насоса
Замена торцевого уплотнения
Как поменять торцевое уплотнение на насосе Yulo
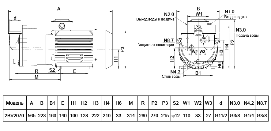
Описание модели 2BV-2070
Водокольцевой вакуумный насос Yulo 2BV-2070 служит для откачивания неагрессивных газообразных сред из закрытых емкостей.
- Конструкция насоса одноступенчатого типа.
- Корпус насоса сделан из чугуна, импеллер из нержавеющей стали AISI 304.
- Насос оснащен портом защиты от кавитации.
- Насос не чувствителен к воздушному конденсату, допускает прохождение ограниченного количества взвешенных частиц.
- Производительность модели до 80 м3/ч (1333 л/мин).
- Глубина остаточного давления 33 мбар (степень вакуума 97%).
- Условный проход патрубков G 1 1/2" (40 мм).
- Расход операционной жидкости (воды) 2,5 л/мин.
- Уровень шума 66 ± 3 дБ(A).
- Габаритные размеры насоса, нетто/брутто (ДхШхВ): 57х22х27/65х31х42 см.
- Вес нетто/брутто: 62/72 кг.
Приводный двигатель 3Ф~, 50 Гц, 380 В, 2860 об/мин, мощность 2,35 кВт.
Кл. изоляции F, IP 54.
Преимущества насосов 2BV перед другими водокольцевыми насосами
Посмотрите сравнение насосов 2BV, SKA и SKA-A.
Насосы 2BV превосходят бюджетные аналоги по многим параметрам.
|
|
SKA | SKA-A | Yulo 2BV |
| цвет корпуса | синий | синий | зеленый |
| материал корпуса | чугун | чугун | чугун |
| материал импеллера | чугун | чугун | нерж. сталь AISI 304 |
| антикор рабочей камеры | нет | да | да |
| легкость замены уплотнения | низкая - сложно снять импеллер | низкая - сложно снять импеллер | высокая |
| легкость запуска после простоя | бывали проблемы из-за закисания импеллера | легко | легко |
| качество окраски | среднее | среднее | высокое |
| реально достигаемый вакуум | 60 мбар | 33 мбар | 50 мбар |
| качество электродвигателя | потребляет больше энергии, сильнее греется при работе |
потребляет больше энергии, сильнее греется при работе |
потребляет меньше энергии, меньше греется при работе |
| антикавитационный клапан | есть, закрыть полностью нельзя | есть и нормально работает | есть и нормально работает |
Условия эксплуатации и технические нюансы
Насосы Yulo 2BV любят работать при таких условиях:
- Температура откачиваемого воздуха не должна превышать +80 °С. Насос сможет выдержать и бОльшую температуру. Однако физика водокольцевых насосов такова, что при росте температуры в рабочей камере падает глубина достигаемого вакуума
- Не предназначен для агрессивных газов
- Температура сервисной жидкости должна быть по возможности +20 °С. Чем ниже эта температура, тем более глубокий вакуум обеспечит насос
- Температура окружающей среды: от +5 °С до +40 °С
- Насосы устанавливаются на горизонтальной плоскости и крепятся болтами
- Антикавитационный порт во время работы насоса должен быть открыт. При его закрытии повышается глубина достигаемого вакуума, но это счастье будет укороченным. Ведь при кавитации внутренние элементы рабочей камеры начинают разрушаться с увеличенной скоростью.
- Как и любой прочий водокольцевой вакуумный насос Yulo 2BV требует, чтобы в рабочей камере была вода. Подавать эту воду можно проточным способом или замкнутым, при котором вода циркулирует по контуру. Поскольку насос быстро нагревает воду, то при замкнутом способе подачи ее необходимо охлаждать. Обычно для этого используют теплообменник.
- Если откачиваемый воздух грязный, а вода в насос подается по замкнутому контуру, то необходимо очищать воду перед насосом. Для этого следует использовать подходящий фильтр. В противном случае рано или поздно вода станет сильно грязной и это укоротит славные дни водокольцевого насоса (абразивное действие + возможные риск заклинивания рабочего колеса от грязи).
Материалы конструкции
- Корпус насоса и распределительная плата – чугун (cast iron) с многослойным антикоррозионным покрытием
- Рабочее колесо – нержавеющая сталь AISI 304
- Вал – высококачественная легированная сталь повышенной прочности
- Уплотнение механическое, с увеличенным ресурсом, уплотнительное кольцо из фторкаучука (FKM)
- Подшипники фирмы SKF (Швеция)
Области применения
- Вакуумная сушка
- Дегазация
- Дистилляция
- Вакуумное концентрирование, испарение
- Химическая промышленность
- Текстильная промышленность
- Производство стекла
- Фармацевтика
- Вакуумные медицинские отсосы
- Производство пластмасс, кирпича и черепицы
Комплект поставки
- Насос
- Инструкция на английском
Габаритный чертеж насоса Yulo 2BV-2070
Кривые производительности
3D-фото
Олег
Удачи вам !
Дерево
Используют модель: 2BV-5121Отзыв оставлен: 02.02.2025
Спасибо вам большое за это видео
Алексей
Насос отрабатывает отлично!
Пищевая промышленность
Используют модель: 2BV-2071Отзыв оставлен: 01.07.2021
Вакуумный насос используется для сухой загрузки ингредиентов в котел выпекания хлебобулочных изделий. Насос отрабатывает отлично и работает уже давно - за 2 года стабильной работы ни разу не подвел. Мы купили еще 2 таких же вакуумных насоса и поставили еще 2 котла. Тот же результат, работают хорошо!
Андрей В.
Забирают воду из реки
Станция подкачки воды из реки
Используют модель: 2BV-2061Отзыв оставлен: 04.03.2021
Наша компания купила в начале 2019-го года в Зенове вакуумные водокольцевые насосы Yulo 2BV-2061 для установки в станцию подкачки воды из реки. После закачки воды вакуумным насосом до станции, вода перекачивается в очистные сооружения с помощью других насосов, но уже циркуляционных Грундфос. Насосы 2BV мы их установили по инструкции – закрепили на площадке, подвели воду и подключили трубы (оказалось все просто).
Насосы 2BV-2061 работают вот уже более 2-х лет без обслуживания. Нам все нравится.
В 2021-м году планируем закупить еще 4 шт. этой же модели.
Юрий Ш.
Помогает в производстве карамели
Производство карамели
Используют модель: 2BV-5110Отзыв оставлен: 28.12.2020
Вакуумный насос 2BV-5110 используем для создания вакуума в нужной емкости для перелива в нее готовой карамели из варочного реактора и после транспортировки продукта (карамели) в емкостях еще поддерживается некое время вакуум для удаления лишней влаги.
Насос работает на воде из местного водоснабжения, в линию перед входом в насос установлен вакуумметр, но шкала показывает больше наличие вакуума чем его глубину (нет такой надобности).
Насос установлен на магистраль с последовательным входом в емкости и реактор-смеситель.
Данный насос работает исправно, полностью удовлетворяет нашим требованиям.
В настоящее время никто вопросов не задавал. Вы можете быть первым.




































_1.jpg)































































































































































































































































Гарантия 24 мес.





