Описание модели Dolphin LC 0030 A
Водокольцевой вакуумный насос Busch Dolphin LC 0030 A представляет собой одноступенчатый агрегат с одной рабочей камерой, служит для откачивания паровоздушных смесей из закрытых емкостей. Моноблочная конструкция с коротким валом и фланцевым присоединением электродвигателя делает агрегат особенно компактным. Выпускается немецкой компанией Busch для использования в самых ответственных технологических процессах промышленной отрасли.
Насос имеет механическое уплотнение вала. Корпус с резьбовыми патрубками G1 изготавливается из чугуна, рабочее колесо - из бронзы или нержавеющей стали (по отдельному заказу).
Модель LC 0030 A рассчитана на непрерывную эксплуатацию со скоростью откачки от 4,3 до 26 м3/час до остаточного вакуума 33 мбар. (25 мм рт. столба) с расходом сервисной жидкости 3 л/мин.
Насос оснащен электродвигателем мощностью 0,75 кВт, 2900 оборотов в минуту.
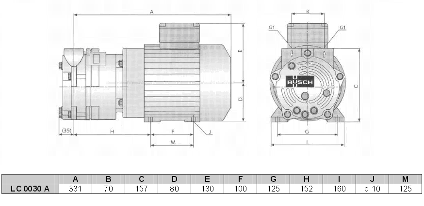
Габаритный чертеж насоса Busch Dolphin LC 0030 A
Кривые производительности
У нас пока нет отзывов по этой модели.
В настоящее время никто вопросов не задавал. Вы можете быть первым.




































_1.jpg)




























































































































































































































































Гарантия 12 мес.