Видео
Как устроен водокольцевой насос
Анимация: устройство и принцип работы водокольцевого вакуумного насоса
Сепаратор – а это еще что?
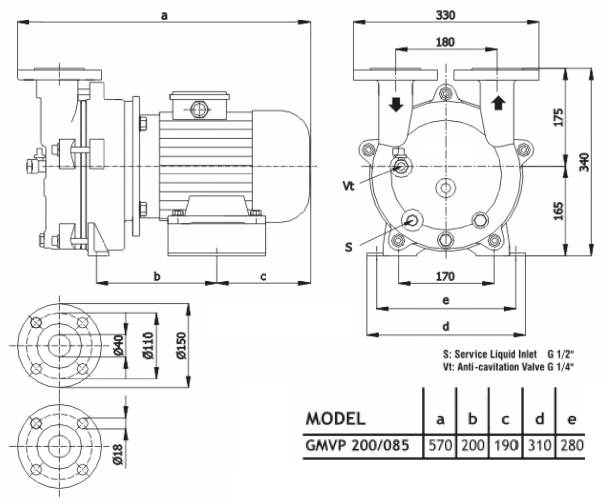
Описание модели GMVP 200/085
Водокольцевой вакуумный насос Ангара GMVP 200/085 – моноблочный одноступенчатый агрегат для создания вакуума в закрытых емкостях. Производится турецкой компанией GUCUM. Насос выполнен в чугунном корпусе с фланцевым соединением DN40. Материал импеллера - бронза. Уже в стандартном варианте насос оснащен торцевым уплотнением. Широко применим в пищевой, химической, текстильной промышленности, производстве строительных материалов типа кирпича или черепицы.
Эксплуатационные характеристики: производительность насоса от 95 до 134 м3/час при насыщенном водяным паром воздухе или от 58 до 127 м3/час при сухом воздухе. Предельный вакуум 33 мбар (25 мм рт. ст.). Расход сервисной жидкости 16 л/мин.
Насос оснащен четырехполюсным электродвигателем европейского стандарта IEC мощностью 4,0 кВт, 1450 оборотов в минуту.
Условия эксплуатации
- Максимальная температура откачиваемого газа не должна превышать 100°С
- Максимальная температура сервисной жидкости не должна превышать 70°С
- Температура окружающей среды: от +5 °С до +40°С
- Сервисная жидкость должна иметь вязкость до 4 сстокс и плотность до 1,2 кг/дм³
График производительности насоса Ангара GMVP 200/085 при различной влажности воздуха
Габаритный чертеж насоса Ангара GMVP 200/085
У нас пока нет отзывов по этой модели.
В настоящее время никто вопросов не задавал. Вы можете быть первым.




































_1.jpg)































































































































































































































































Гарантия 12 мес.