Описание модели MEX 150 GX
Водокольцевой вакуумный насос Finder Pompe MEX 150 GX - это моноблочный одноступенчатый агрегат с одной рабочей камерой, предназначен для создания технического вакуума в закрытых емкостях. Насос крепится фланцевым соединением к корпусу электродвигателя, на валу которого установлено рабочее колесо. За счет полученной таким образом компактности, а также нечувствительности конструкции к загрязнениям и жидкости в откачиваемом воздухе, MEX 150 GX успешно используется в широких областях промышленности.
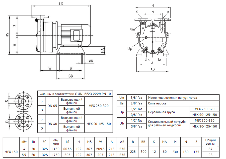
Насос имеет 40 – миллиметровые фланцевые патрубки. Одинарное механическое уплотнение сводит к минимуму утечку рабочей жидкости. Корпус выполнен из чугуна, рабочее колесо - из хромоникелевой стали AISI 316, вал - из мартенситной стали AISI 420.
Эксплуатационные характеристики: производительность насоса от 51 до 139 м3/час с предельным вакуумом 33 мбар (25 мм рт. столба). Расход сервисной жидкости 15 л/мин.
Насос оснащен четырехполюсным 3-х фазным асинхронным электродвигателем мощностью 4,0 кВт, 1450 оборотов в минуту.
Габаритный чертеж насоса Finder Pompe MEX 150 GX
Кривые производительности
У нас пока нет отзывов по этой модели.
В настоящее время никто вопросов не задавал. Вы можете быть первым.




































_1.jpg)




























































































































































































































































Гарантия 12 мес.