Описание модели SKA-2061 (колесо чугун)
Водокольцевой вакуумный насос SKA-2061 (колесо чугун) позволяет откачать закрытые объемы влажного воздуха и другого неагрессивного газа до остаточного давления 33 мбар (97 % вакуума). Конструкция насоса одноступенчатого типа. Импеллер (рабочее колесо), корпус и распределительная плата выполнены из чугуна.
Производительность насоса до 52 м3/ч (866 л/мин), глубина остаточного давления 33 мбар (степень вакуума 97%).
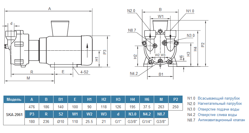
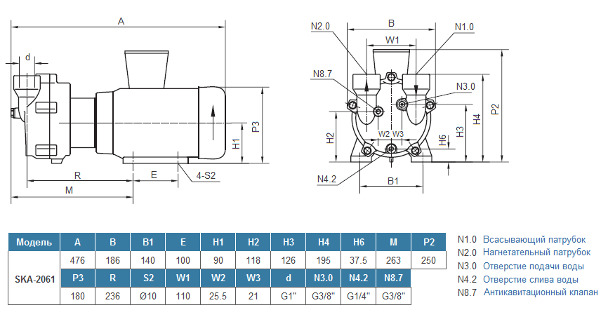
Условный проход патрубков G 1" (25 мм).
Расход операционной жидкости (воды) 0,12 м3/ч (2 л/мин).
На насосе установлен асинхронный трехфазный двигатель 380 В (50 Гц), 2850 об/мин (2Р), мощностью 1,45 кВт.
Кл. изоляции F, IP 54.
Уровень шума 65 ± 3 дБ(A)
При заказе насоса и подготовке к его установке обратите внимание! Всасывающий патрубок расположен справа, нагнетающий слева.
Чем отличаются водокольцевые вакуумные насосы SL Vacuum SKA-A от SL Vacuum SKA?
Вакуумные насосы SSL Vacuum SKA-A и насосы SL Vacuum SKA производятся на разных заводах.
Они полностью взаимозаменяемы по рабочим параметрам.
Стабильность качества и надежность выше у насосов SL Vacuum SKA-A.
Запчасти у них не взаимозаменяемы.
Условия эксплуатации
- При первом старте насоса обязательно убедитесь, что рабочее колесо хорошо прокручивается. Из-за особенностей тестирования насосов на заводе остатки сервисной жидкости могут окислить рабочее колесо и привести к затруднениям при первом старте. При последующих стартах этой проблемы не будет.
- Максимальная температура откачиваемого воздуха/газа до +100 °С.
- Температура окружающей среды: от +5 °С до +40 °С.
- Сервисная жидкость в насосе должна иметь pH от 6,5 до 9,5 рН. Она должна быть чистой и не содержать примеси типа песка.
- В спецификации к насосам указано номинальное потребление тока. В реальности оно может отличаться и превышать номинальное в 1,5 раза. Это нужно учитывать при подборе автомата защиты.
Области применения
- Вакуумная сушка;
- Нефтехимия;
- Фармацевтика;
- Пищевая и сахарная промышленность;
- Деревообработка и др.
Комплект поставки
График рабочих характеристик SL Vacuum SKA-2061
Габаритный чертеж насоса SL Vacuum SKA-2061
Видео и 3D-фото
Обзор вакуумного насоса SL Vacuum SKA-2061




































_1.jpg)































































































































































































































































Гарантия 12 мес.