Видео
Как устроен водокольцевой насос
Анимация: устройство и принцип работы водокольцевого вакуумного насоса
Сепаратор – а это еще что?
Проверенный способ починить ВСЕ
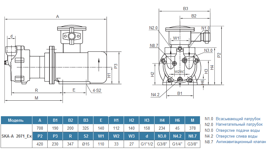
Описание модели SKA-EX 2071
Взрывозащищенный водокольцевой вакуумный насос SKA-EX 2071 позволяет откачать закрытые объемы влажного воздуха и другого неагрессивного газа до остаточного давления 33 мбар (97 % вакуума). Насос подходит для работы в помещениях с взрывоопасной средой. Конструкция насоса одноступенчатого типа. Импеллер (рабочее колесо) выполнен из нержавеющей стали AISI 304, корпус и распределительная плата из чугуна.
Производительность насоса до 110 м3/ч (1833 л/мин), глубина остаточного давления 33 мбар (степень вакуума 97%).
Условный проход патрубков G 1" 1/2 (40 мм).
Расход операционной жидкости (воды) 0,25 м3/ч (4,2 л/мин).
На насосе установлен взрывозащищенный асинхронный двигатель 380 В (50 Гц), 2860 об/мин (2Р), мощностью 3,85 кВт.
Кл. изоляции F, IP 54.
Уровень шума 72 ± 3 дБ(A)
При заказе насоса и подготовке к его установке обратите внимание! Всасывающий патрубок расположен справа, нагнетающий слева.
Условия эксплуатации
- Максимальная температура откачиваемого воздуха/газа до 100°С
- Не предназначен для работы с агрессивными газами
- Концентрация операционной жидкости от 6,5 до 9,5 рН. Без твердых материалов (например, песка)
- В спецификации к насосам указано номинальное потребление тока – в реальности оно может отличаться и превышать номинальное в 1,5 раза. Это нужно учитывать при подборе автомата защиты
Габаритный чертеж насоса Vetlan SKA-EX 2071




































_1.jpg)




























































































































































































































































Гарантия 18 мес.
