Видео
Обзор
Высокотемпературный шестеренный насос ДЛЯ ВЫСОКОГО ДАВЛЕНИЯ ZY Technology 2CY – качай горячее
Замена уплотнения
Меняем набивное уплотнение на шестеренном насосе
Анимация: принцип работы
Как работают насосы для горячих масел и битумов
Выставляем соосность
Как выставить соосность без специального оборудования
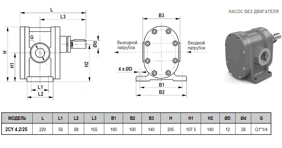
Описание модели 2CY 4.2/25
Шестеренный насос ZY Technology 2CY 4.2/25 служит для перекачивания и подачи масел и смазочных материалов. Насос способен обеспечить давление до 25 бар и работать в условиях нагревания рабочей жидкости до 260 °C.
Материалы конструкции насоса:
- корпус и крышка чугунные;
- пары шестерен и вал из инструментальной стали Cr20;
- графитовые уплотнения.
Важно отметить, у насоса нет байпасного предохранительного клапана. Цельный корпус, без лишних отверстий, позволяет выдерживать до 25 бар давления.
Производительность насоса в рабочей точке 70 л/мин (4,2 м3/ч) при напоре 250 метров.
Всасывающий и нагнетательный патрубки с резьбовым присоединением G1"1/4 (32 мм).
Характеристики двигателя:
Мощность 5,5 кВт, скорость вращения 1440 об/мин (4 пары полюсов), 3Ф ~, напряжение 380 В, частота 50 Гц.
Условия эксплуатации
- Температура перекачиваемой жидкости не должна превышать +260 °С (при непрерывной работе в течение длительного времени не более +200 °С).
- Температура окружающей среды не должна превышать + 40 °С.
- Насосы 2CY любят работать с положительным или нулевым подпором. Работа в режиме самовсоса для них нежелательна.
Материалы конструкции
Корпус насоса сделан из чугуна.
Термозакаленные шестерни выполняются из высококачественной легированной стали 20CrMoTi с повышенной стойкостью к коррозии и износу.
Вал сделан из высококачественной легированной стали Cr40 с повышенной прочностью.
Уплотнение вала - набивные графитовые кольца с дополнительным кольцом из фторкаучука для работы с горячими жидкостями. Можем поставить под заказ насосы с механическим уплотнением (температура жидкости до +200 °С).
Габаритный чертеж насоса ZY Technology 2CY 4.2/25




































_1.jpg)
































































































































































































































































Гарантия 12 мес.