Видео
Обзор
Technology LQLRY — когда нет места для станины
Соосность

Как выставить соосность на вертикальном насосе LQLRY
Подключение к сети

Как подключить промышленный асинхронный двигатель
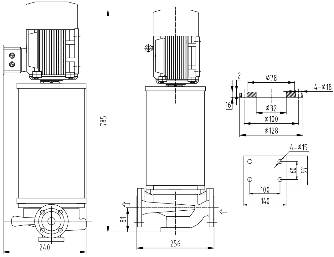
Описание модели LQLRY 32-32-135
Центробежный насос LQLRY 32-32-135 китайской фирмы ZY Technology специально спроектирован для перекачивания горячего масла температурой до +350 °C (кратковременно до +370 °C). Он может перекачивать горячую жидкость без необходимости подвода дополнительного охлаждения благодаря использованию дополнительного набивного графитового уплотнения и камеры отвода тепла для защиты механического уплотнения от перегрева.
Рабочая точка насоса – 4,5 м3/час при 20 м.в.ст.
Насос оснащен трехфазным электродвигателем мощностью 0,75 кВт на 2900 оборотов в минуту.Габаритный чертеж насоса ZY Technology LQLRY 32-32-135
Конструктивные особенности
- На выходе из рабочей камеры стоит дополнительное уплотнение с пропиткой из графита/PTFE. Оно устойчиво к высокой температуре и позволяет резко уменьшить циркуляцию раскаленного масла в промежуточной камере насоса (в радиаторе), это позволяет защитить механическое уплотнение от воздействия высокой температуры. А еще это позволяет добиться минимальных утечек масла.
- В насосе предусмотрена промежуточная камера охлаждения между рабочей камерой насоса и задней стенкой насоса, на которой устанавливается механическое уплотнение. Промежуточная камера имеет дополнительное оребрение для ускорения отвода тепла.
- Наличие промежуточной камеры охлаждения вынуждает использовать удлиненный вал насоса. Для надежной поддержки вала в насосе используется сдвоенный подшипник. Один со стороны насосной части (подлежит периодической смазке через внешнее отверстие), а другой со стороны двигателя (в нем заложена густая заводская смазка на весь срок его службы).
Условия эксплуатации
- Температура окружающей среды (желательно) не должна превышать +35 °C – хотя производитель указывает возможность эксплуатации до температуры в +50 °C.
- Установите трубопроводы так, чтобы они не опирались на корпус насоса При подключении длинных и тяжелых трубопроводов (длиной более 40 см или массой более 4 кг) необходимо предусмотреть отдельные опоры или подвесы, чтобы исключить нагрузку на патрубки насоса.
- При избыточном входном давлении (более 1 атм.) учитывайте, что уплотнение может начать протекать, и его потребуется менять чаще.
- Допустимая вязкость перекачиваемой жидкости: от 1 до 150 сСт.
- Установите насос на жестком и сплошном основании, например, на железобетонную плиту. Металлические фермы не рекомендуется, так как при нагреве металл теряет жесткость. Также учитывайте. что при установке на металлическое основание или неровную поверхность возможны небольшие утечки масла.
- Подключение двигателя через симисторный или тиристорный регулятор скорости запрещено. Для регулировки используйте только частотные преобразователи с диапазоном частот от 35 до 65 Гц.
- Допустимые пределы напряжения для трехфазной сети (380 В): ±7% (от 353,4 В до 406,6 В).
Материалы конструкции
Насосы серии LQLRY сделаны из следующих материалов:
- Корпус и рабочее колесо сделаны из чугуна.
- Вал насоса выполнен из высокотемпературного сплава нержавеющей стали, устойчивой к высоким температурам.
- Сальниковая набивка изготовлена из графита/PTFE.
- Механическое уплотнение – из карбида кремния (SiC) с уплотнительными кольцами из FPM (Viton).
Кривые производительности
3D-фото
У нас пока нет отзывов по этой модели.
В настоящее время никто вопросов не задавал. Вы можете быть первым.




































_1.jpg)
































































































































































































































































Гарантия 12 мес.
