Насос без двигателя KCB-A 300 CCM (голова) – описаниеВес головы - 46,3 кг (проверено нами).
Внутри установлены подшипники NSK.
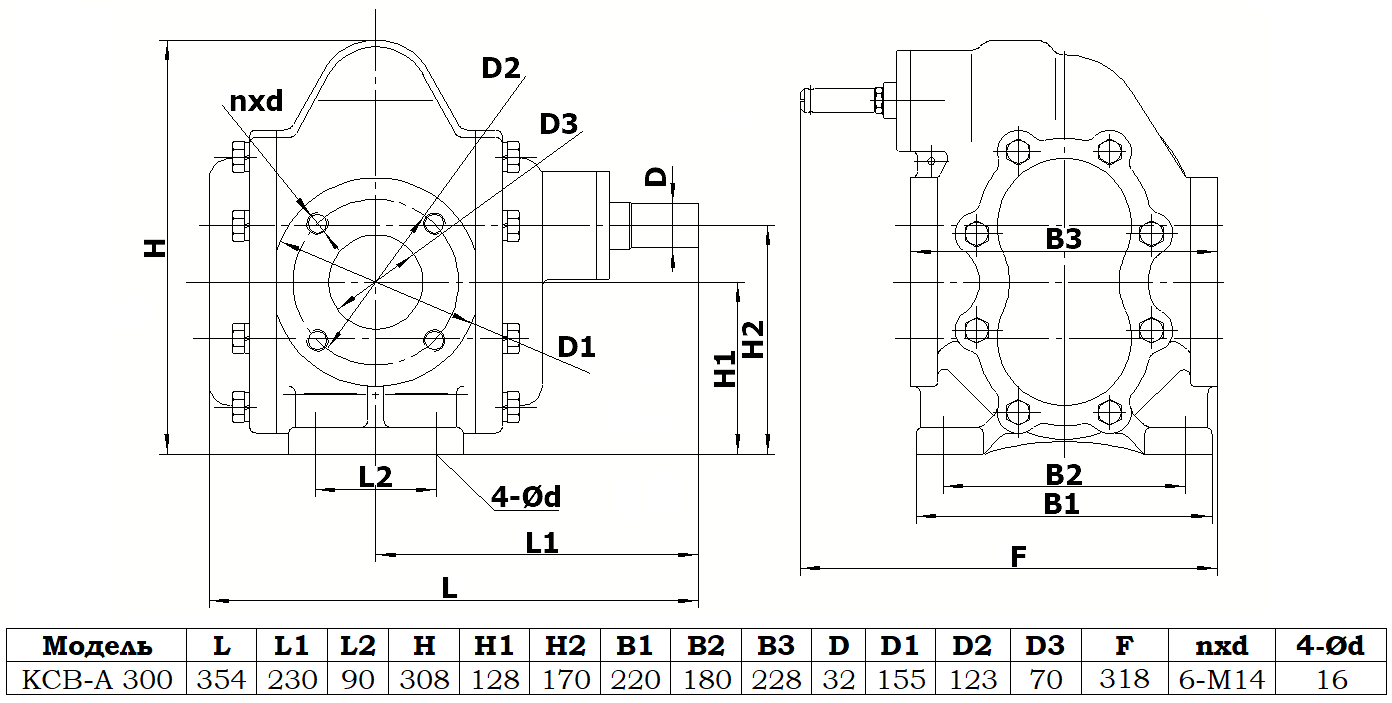
Чертеж головы насоса:
Вес головы - 46,3 кг (проверено нами).
Внутри установлены подшипники NSK.
Чертеж головы насоса:
Совместимые модели оборудования
Шестеренные насосы Vetlan KCB-A CCM
KCB-A 300-CCM/0.36/6/C, KCB-A 300-CCM/0.6/6/С, KCB-A 300-CCM/1/6/С
У нас пока нет отзывов по этому аксессуару.
В настоящее время никто вопросов не задавал. Вы можете быть первым.




































_1.jpg)


























































































































































































































































