Насос без двигателя KCB-A 33 CCM (голова) – описаниеВес головы - 11 кг (проверено нами).
Внутри установлены втулки скольжения.
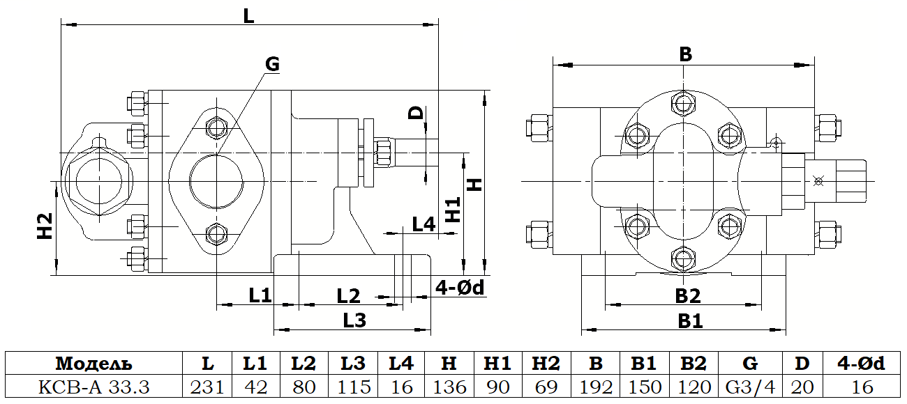
Чертеж головы насоса:

Вес головы - 11 кг (проверено нами).
Внутри установлены втулки скольжения.
Чертеж головы насоса:

Совместимые модели оборудования
Шестеренные насосы Vetlan KCB-A CCM
У нас пока нет отзывов по этому аксессуару.
В настоящее время никто вопросов не задавал. Вы можете быть первым.




































_1.jpg)





























































































































































































































































