Насос без двигателя KCB-A 633 CCM (голова) – описаниеВнутри установлены подшипники NSK.
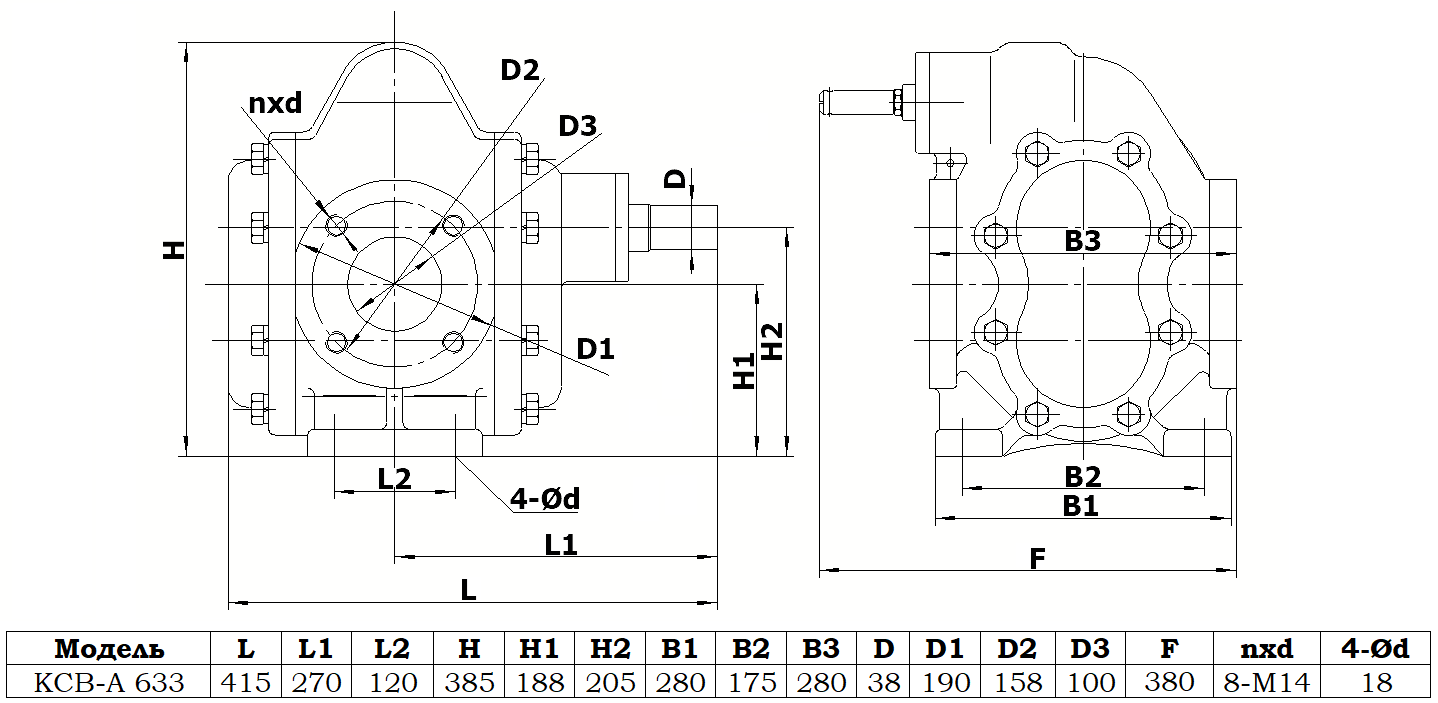
Чертеж головы насоса:

Внутри установлены подшипники NSK.
Чертеж головы насоса:

Совместимые модели оборудования
Шестеренные насосы Vetlan KCB-A CCM
У нас пока нет отзывов по этому аксессуару.
В настоящее время никто вопросов не задавал. Вы можете быть первым.




































_1.jpg)


























































































































































































































































