Насос без двигателя KCB-A 83 CCG (голова) – описаниеВес головы - 13 кг (проверено нами).
Производительность и давление моделей KCB-A 83.3-CCG и KCB-A 135-CCG близки по значению, однако есть различия в цене и конструкции. Внутри насосов KCB-A 83.3-CCG установлены втулки скольжения, а внутри насосов KCB-A 135-CCG - подшипники NSK. Ниже приведена таблица с преимуществами и недостатками втулок и подшипников, чтобы вы могли выбрать более подходящий для себя вариант:
Преимущества Недостатки Втулки скольжения - При попадании твердых включений втулки могут продержаться пару дней (в зависимости от количества и абразивности включений).
- При поломке втулок часто насос еще кое-как, но работает, разрушаясь постепенно. Можно дожать его до конца партии.
- Втулки редко ломаются одни. Вместе с ними обычно нужно ремонтировать и шестерни и корпус, если поломку вовремя не заметили.
- Голова со втулками греется чуть больше.
Подшипники NSK - Легче и дешевле ремонт. Если в насос попадут твердые включения, то подшипники выйдут из строя до того, как разрушатся шестерни и корпус. В результате стоимость ремонта будет существенно меньше.
- Меньше потребление энергии при тех же параметрах давления и расхода.
- Голова насоса греется чуть меньше.
- При попадании твердых включений подшипники выходят из строя быстрее, чем втулки скольжения.
- При поломке подшипника насос сразу клинит
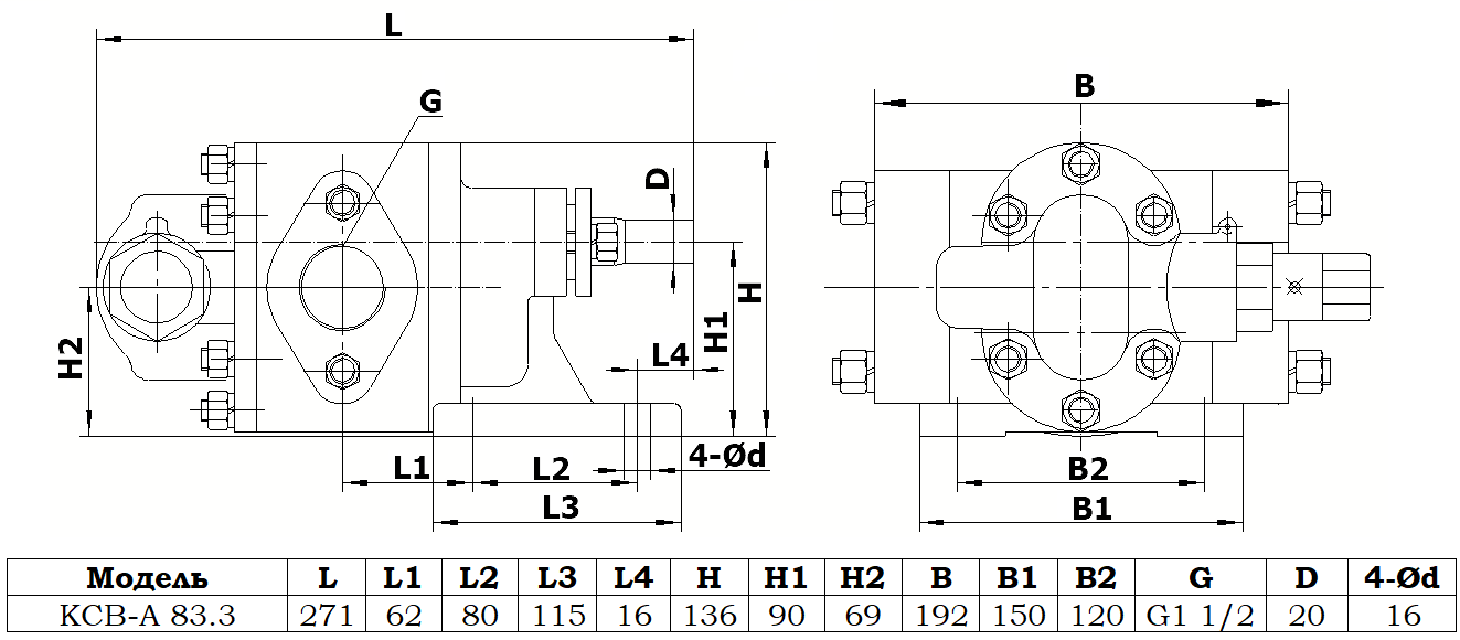
Чертеж головы насоса:

Вес головы - 13 кг (проверено нами).
Производительность и давление моделей KCB-A 83.3-CCG и KCB-A 135-CCG близки по значению, однако есть различия в цене и конструкции. Внутри насосов KCB-A 83.3-CCG установлены втулки скольжения, а внутри насосов KCB-A 135-CCG - подшипники NSK. Ниже приведена таблица с преимуществами и недостатками втулок и подшипников, чтобы вы могли выбрать более подходящий для себя вариант:
| Преимущества | Недостатки | |
| Втулки скольжения |
|
|
| Подшипники NSK |
|
|
Чертеж головы насоса:

Совместимые модели оборудования
Высокотемпературные шестеренные насосы Vetlan KCB-A CCG
KCB-A 83.3-CCG/0.33/4/C, KCB-A 83.3-CCG/0.5/4/C, KCB-A 83.3-CCG/1/4/C
У нас пока нет отзывов по этому аксессуару.
В настоящее время никто вопросов не задавал. Вы можете быть первым.




































_1.jpg)





























































































































































































































































