Видео
Глушитель и уровень шума
Влияет ли глушитель на уровень вакуума в вакуумных насосах?
Описание модели KVX 3.100
Безмасляный вакуумный насос Becker KVX 3.100 является пластинчато-роторным насосом экстра-класса для создания сухого вакуума в герметичных пространствах. Насос откачивает воздух и неагрессивные газы до вакуума 100 мбар. Самосмазывающие пластины ротора изготовлены из высокотехнологичного антифрикционного графита, данный материал не требуют применения смазки в рабочей камере, поэтому откачиваемый воздух не загрязнен парами масла и инородными частицами. Насос собран в традициях немецкого качества известным производителем вакуумного оборудования Gebr. BECKER GmbH. Компания гарантирует 20 000 рабочих часов без технического обслуживания.
Экологичность данного насоса позволяет использовать его в пищевой, деревообрабатывающей, химической промышленности, полиграфии, в научных лабораториях, упаковке, фармацевтике и медицине. Стандартное оснащение насоса - воздушный фильтр на входе, предохранительный клапан.
Производительность насоса от 0,1 до 98 м3/час. Предельное остаточное давление 100 мбар.
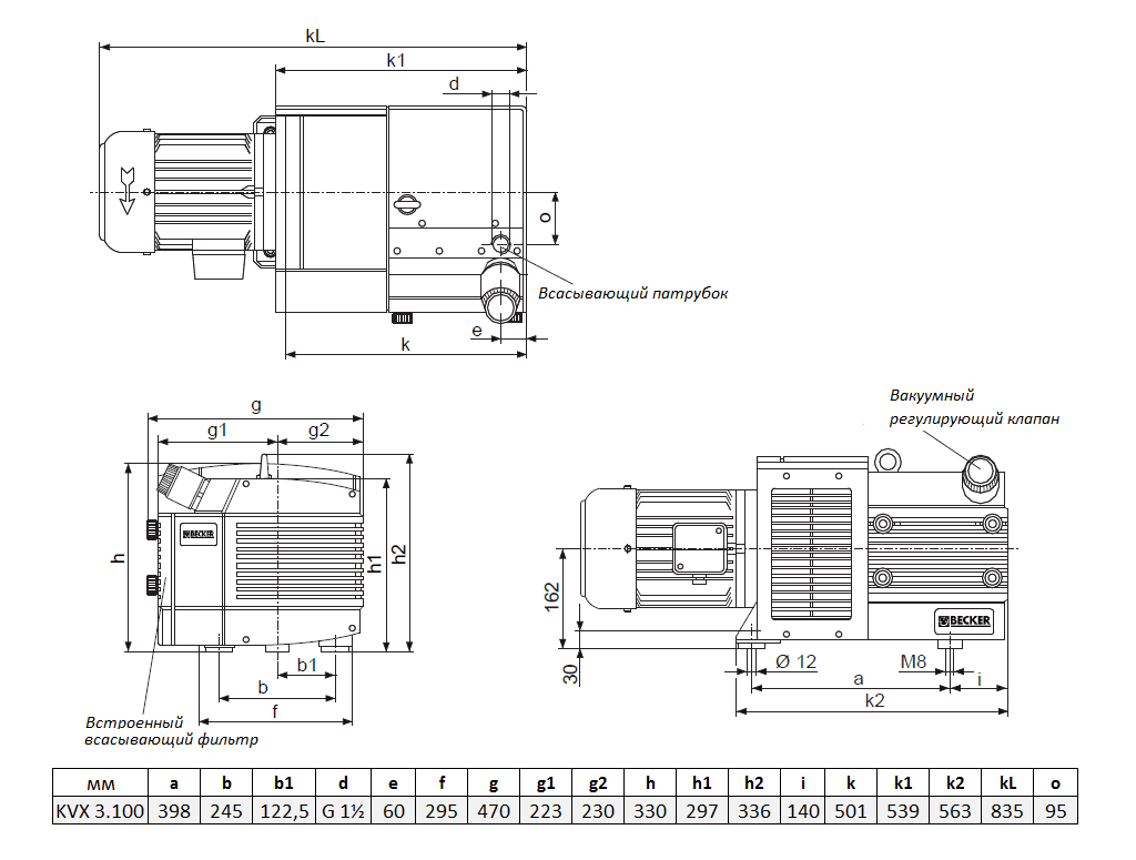
Всасывающий, выхлопной патрубок трубная резьба G 1 1/2" (40 мм).
Насос оснащен трехфазным двигателем 380 В, мощностью 3,0 кВт, 1465 об/мин. Класс защиты IP 55, класс изоляции F.
Современный компактный кожух уменьшает шум до 75 дБ.
Разве может безмасляный вакуумный насос проработать 20 000 часов без техобслуживания?
Если обычный безмасляный пластинчато-роторный насос проработает 5 000 часов, это уже неплохо. Ведь отсутствие смазки рабочих лопаток не может не сказаться на их износе. Однако новая серия насосов Becker VX позволяет насосу проработать как минимум 20 000 часов (3 года круглосуточной работы) без всякого технического обслуживания. Все дело в особых графитовых лопатках, изготовленных по инновационному рецепту от Becker. Несмотря на постоянное трение данные лопатки не подвержены даже мельчайшему износу. Как следствие данный насос можно применять в тех сферах, где не допускается даже малейшее попадание пыли в выхлоп насоса.
Условия эксплуатации
- Температура воздуха должна быть от +5 до +45 ºС.
- Относительная влажность воздуха не более 90%.
- Воздух не должен содержать примесей агрессивных или взрывоопасных газов.
- Температура на поверхности насоса во время работы может достигать +110°C. Следует исключить риск ожогов персонала.
Что входит в комплект поставки
- Насос.
- Инструкция.
- Обратный клапан (опционально).
Отдельный гарантийный талон не прилагается (гарантия по накладной или товарному чеку 12 месяцев со дня продажи).
Габаритный чертеж насоса Becker KVX 3.100
Кривые производительности
У нас пока нет отзывов по этой модели.
В настоящее время никто вопросов не задавал. Вы можете быть первым.




































_1.jpg)




























































































































































































































































Гарантия 12 мес.