Видео
Глушитель и уровень шума
Влияет ли глушитель на уровень вакуума в вакуумных насосах?
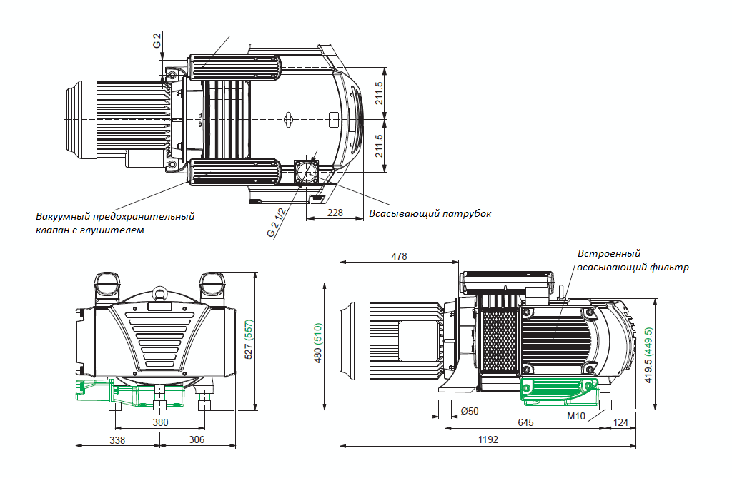
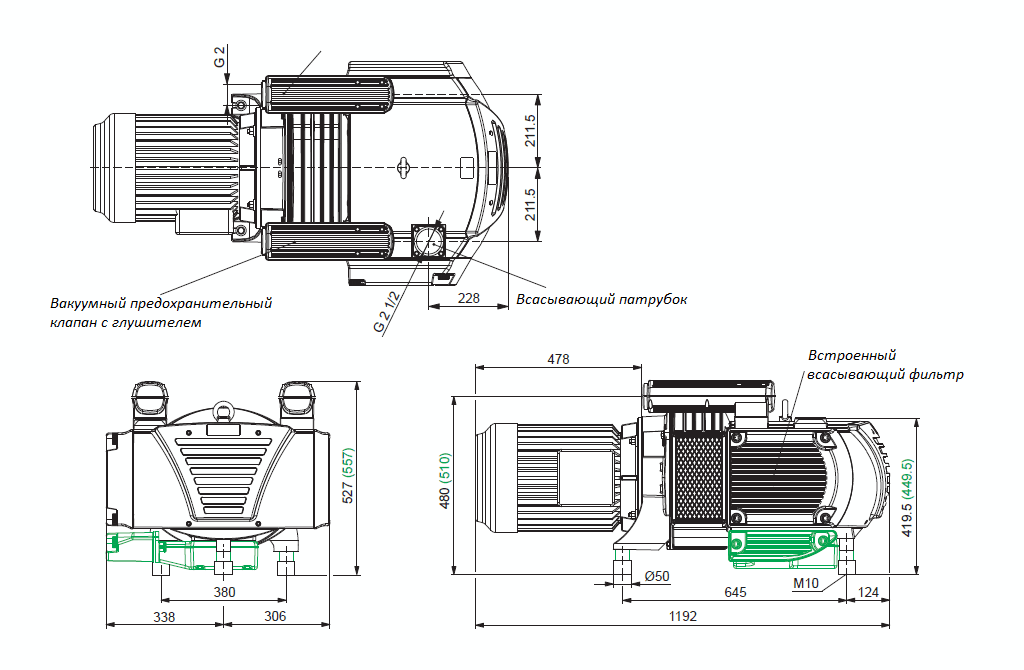
Описание модели VTLF 2.250
Безмасляный вакуумный насос Becker VTLF 2.250 - это одноступенчатый пластинчато-роторный насос для создания сухого вакуума в герметичных рабочих пространствах. Насос откачивает воздух и неагрессивные газы до вакуума 200 мбар. Самосмазывающие пластины (шиберы) ротора изготовлены из высокотехнологичного графитного композита и не требуют применения смазки в рабочей камере, поэтому откачиваемый воздух не загрязнен парами масла. Насос собран в традициях немецкого качества известным производителем вакуумного оборудования - Gebr. BECKER GmbH.
Экологичность данного насоса позволяет использовать его в пищевой, деревообрабатывающей, химической промышленности, полиграфии, в научных лабораториях, упаковочном производстве, фармацевтике и медицине.
Производительность насоса от 33 до 244 м3/час. Предельное остаточное давление 200 мбар.
Всасывающий, выхлопной патрубок трубная резьба G 2 1/2" (65 мм).
Насос оснащен трехфазным двигателем 380 В, мощностью 5,5 кВт, 980 об/мин.
Современный компактный кожух уменьшает шум до 77 дБ.
Разве может безмасляный вакуумный насос проработать 20 000 часов без техобслуживания?
Если обычный безмасляный пластинчато-роторный насос проработает 5 000 часов, это уже неплохо. Ведь отсутствие смазки рабочих лопаток не может не сказаться на их износе. Однако новая серия насосов Becker VX позволяет насосу проработать как минимум 20 000 часов (3 года круглосуточной работы) без всякого технического обслуживания. Все дело в особых графитовых лопатках, изготовленных по инновационному рецепту от Becker. Несмотря на постоянное трение данные лопатки не подвержены даже мельчайшему износу. Как следствие данный насос можно применять в тех сферах, где не допускается даже малейшее попадание пыли в выхлоп насоса.
Условия эксплуатации
- Температура воздуха должна быть от +5 до +45 ºС.
- Относительная влажность воздуха не более 90%.
- Воздух не должен содержать примесей агрессивных или взрывоопасных газов.
- Температура на поверхности насоса во время работы может достигать +110°C. Следует исключить риск ожогов персонала.
Что входит в комплект поставки
- Насос.
- Инструкция.
- Обратный клапан (опционально).
Отдельный гарантийный талон не прилагается (гарантия по накладной или товарному чеку 12 месяцев со дня продажи).
Габаритный чертеж насоса Becker VTLF 2.250
Кривые производительности
У нас пока нет отзывов по этой модели.
В настоящее время никто вопросов не задавал. Вы можете быть первым.




































_1.jpg)




























































































































































































































































Гарантия 12 мес.