Описание модели SV 1008 C
Безмасляный вакуумный насос Busch Seco SV 1008 С представляет собой пластинчато-роторный насос, предназначенный для получения сухого вакуума в герметичных емкостях. Как роторные пластины из углеродистого материала, так и подшипники насоса абсолютно не нуждаются в смазке. Насос производится немецкой компанией Busch для применения в пищевых технологиях, деревообработке, упаковке, на автомобильном производстве, в медицине и научных исследованиях.
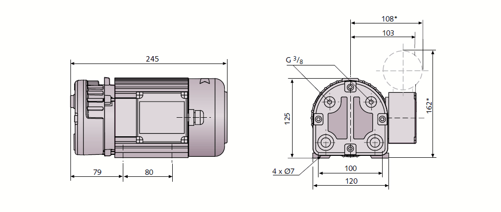
Компактность конструкции обеспечивается коаксиальным вариантом исполнения: электромотор фланцем крепится к корпусу насоса. Всасывающий, выхлопной патрубок трубная резьба G 3/8" (10 мм).
Технические параметры: Seco SV 1008 С рассчитан на откачивание воздуха, газа и парогазовых смесей со скоростью до 7,3 м3/час. Предельное остаточное давление 150 мбар. (113 мм рт. столба).
Насос оснащен асинхронным трехфазным двигателем 380 В, 3000 об/мин, мощностью 0,25 кВт. Охлаждение электродвигателя производится обдувом собственного вентилятора.
Уровень шума на входе составляет не более 63 дБ.
Условия эксплуатации
- Воздух на входе в насос должен быть сухим и чистым.
- Температура окружающей среды при работе насоса, а также температура воздуха на входе в насос должна быть в пределах от 0°C до +40°C.
- Давление окружающей среды: атмосферное давление.
Что входит в комплект поставки
- Насос
- Глушитель шума (встроен)
- Инструкция
Отдельный гарантийный талон не прикладывается (гарантия по накладной или товарному чеку 12 месяцев со дня продажи).
Габаритный чертеж насоса Busch Seco SV 1008 C
Кривые производительности
У нас пока нет отзывов по этой модели.
В настоящее время никто вопросов не задавал. Вы можете быть первым.




































_1.jpg)




























































































































































































































































Гарантия 12 мес.