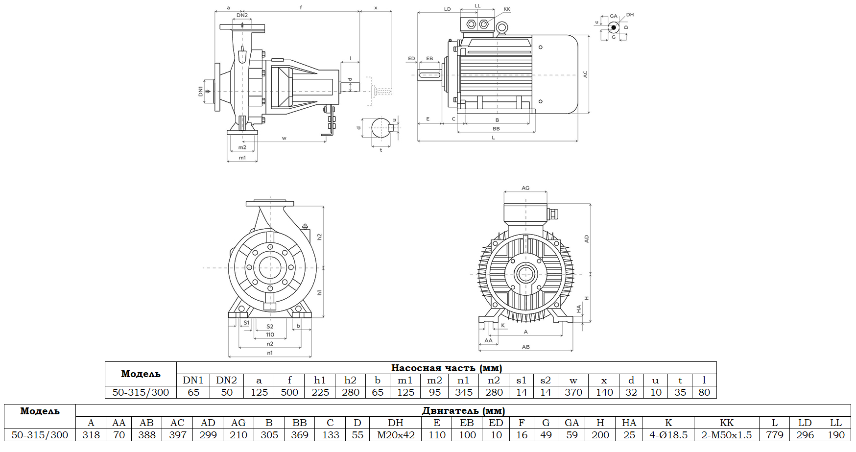
Описание модели SENSA 50-315/300
Центробежный насос Zenova SENSA 50-315/300 позволяет перекачивать воду и прочие неагрессивные к нержавеющей стали жидкости. Конструкция консольного типа, насос и двигатель расположены на единой раме и соединены муфтой, патрубки фланцевые – всасывающий DN65, подающий DN50. Рабочее колесо из чугуна.
Производительность насоса колеблется от 0,1 до 84 м3/час (от 1,7 до 1400 л/мин), а напор соответственно от 72 до 97 м.вод.ст. При этом оптимальная рабочая точка производительности 54 м3/ч (900 л/мин) при напоре 88 м.вод.ст.
Насос оснащен трехфазным асинхронным двигателем 380 В, 2900 об/мин, мощностью 30 кВт.
Условия эксплуатации
- Температура перекачиваемой воды (или иной среды) от -10 °C до +120 °C.
- Температура снаружи насоса от -10 °C до +50 °C.
- Максимальное давление: 20 бар.
- Допускается круглосуточная эксплуатация (S1).
Конструкция и материалы насосной части

| 1. Корпус насоса – чугун | 8. Шариковый подшипник | 15. Шпонка импеллера – железо |
| 2. Импеллер – нержавеющая сталь AISI 304 (модели 32-160/15, 32-160/22, 32-160/30, 32-200/30, 32-200/40, 40-200/55, 40-200/75)/чугун (все остальные модели) | 9. Опорная часть корпуса - чугун | 16. Соединительный болт – сталь |
| 3. Механическое уплотнение - графит-карбид кремния- нержавеющая сталь AISI 304 | 10. Ножка – железо | 17. Гайка импеллера – оцинкованная сталь |
| 4. Уплотнительное кольцо – NBR | 11. Болты опоры – сталь | 18. Выпускной клапан – латунь |
| 5. Соединение – чугун | 12. Муфта – сталь | 19. Сальник - NBR |
| 6. Комбинированный вал - проточная часть вала из стали AISI 304, а "сухая" часть из конструкционной стали #45. Между собой они соединены фрикционной сваркой. | 13. Крышка корпуса - нержавеющая сталь AISI 304 | 20. Контр-фланец – оцинкованный чугун |
| 7. Крышка подшипника - чугун | 14. Шильдик - алюминий | 21. Болт фланца - сталь |
Габаритный чертеж модели Zenova SENSA 50-315/300
Кривые производительности
Видео
Как выставить соосность без специального оборудования
У нас пока нет отзывов по этой модели.
В настоящее время никто вопросов не задавал. Вы можете быть первым.




































_1.jpg)




























































































































































































































































Гарантия 24 мес.