Видео
Обзор

Дренажный И ПО-НАСТОЯЩЕМУ высокотемпературный насос ZENOVA WQH
Разборка насоса

Как разобрать дренажный высокотемпературный насос ZENOVA WQH
Сборка насоса

Как собрать дренажный высокотемпературный насос ZENOVA WQH
WQH в горячей воде
Как погружной насос WQH выдерживает горячую воду?
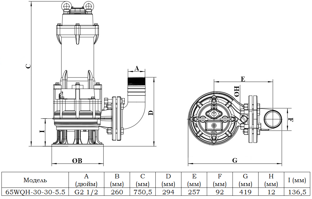
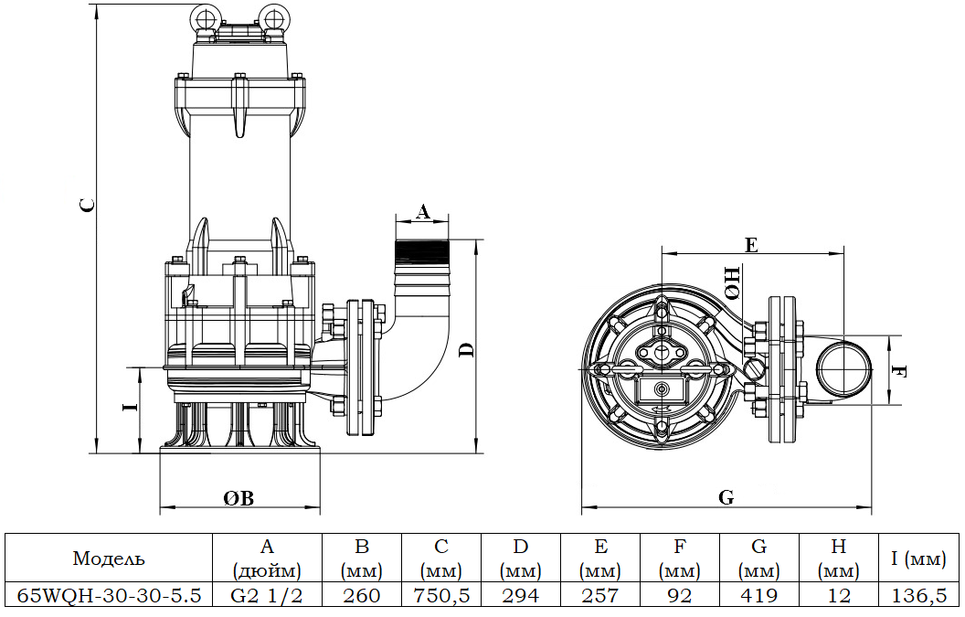
Описание модели 65WQH-30-30-5.5
Дренажный погружной насос Zenova 65WQH-30-30-5.5 (Китай) может перекачивать горячую воду температурой до +80°C и до +105 °C кратковременно. Модель выпускается с июля 2023 года. Уникальные способности насоса долго работать в настолько горячей воде обусловлены специально разработанной конструкцией.
На насосе 65WQH-30-30-5.5 установлено высоконапорное рабочее колесо, благодаря чему он может поднять воду на высоту до 39,5 м.
Насос обеспечивает следующую производительность:
- 36,8 м3/час при напоре 23 м;
- 30 м3/час при напоре 30 м;
- 1 м3/час при напоре 39,5 м.
Электродвигатель:
На насосе 65WQH-30-30-5.5 установлен трехфазный электродвигатель мощностью 5,5 кВт на 2900 об/мин, специально адаптированный работать при высокой температуре. Длина электрического кабеля насоса составляет 8 метров. Требуемое подключение — треугольник.
Габаритный чертеж модели 65WQH-30-30-5.5
Материалы конструкции
- Корпус насоса и рабочее колесо изготовлены из чугуна
- Вал из нержавеющей стали AISI304
- Механическое уплотнение с парой трения карбид вольфрама и карбид кремния. Обратите внимание: в моделях WQH с двигателем мощностью 7,5 кВт используется 2 уплотнения
- Кольцевые уплотнения из фторкаучука
Области применения
- Откачивание горячего конденсата в системах кондиционирования и отопления
- Откачивание горячей воды из подвалов и прочих помещений при прорывах труб
- Откачивание горячей воды на электростанциях и на металлургических заводах
- В прочих задачах, где требуется перекачать горячую воду или иную жидкость
Комплект поставки
- Насос
- Высокотемпературный кабель длиной 8 метров (выдерживает температуру до 100 °C), изначально заведен в корпус насоса
- Руководство по эксплуатации




































_1.jpg)




























































































































































































































































Гарантия 18 мес.
