Описание модели RC.4D
Пластинчато-роторный вакуумный насос DVP RC.4D – это двухступенчатый маслонаполненный насос для снижения давления воздуха. Он позволяет откачивать воздух до глубины вакуума 0,01 мбар. Насос используется для обслуживания холодильного оборудования и систем кондиционирования, в лабораториях и автосервисах. Производится итальянской компанией D.V.P. Vacuum Technology s.p.a, заводской номер модели 9602020.
Конструкция насоса моноблочного типа, где двигатель и насосная часть имеют общий вал. Насос оборудован газобалластным устройством, системой защиты от выброса масла в систему при внезапной остановке насоса, термореле, переключателем ON-OFF, ручкой для переноски, амортизирующими опорами.
Всасывающий патрубок - трубная резьба G 1/4" (6 мм).
Выхлопной патрубок - трубная резьба G 1/2" (15 мм).
Производительность насоса до 4,3 м3/ час, что составляет 71,6 л/мин.
Предельное остаточное давление с выключенным газобалластным устройством 0,01 мбар.
Парциального остаточное давление 0,005 мбар.
Предельное остаточное давление с включенным газобалластным устройством 0,2 мбар.
Максимальное входное давление для водяного пара 20 мбар.
Максимальная скорость откачки водяного пара 0,05 кг/ч.
Расход вакуумного масла 0,35 дм3 (350 мл), тип масла ISO VG 68 (SW60).
Рабочие температуры насоса 50 ÷ 55 °C, при температуре окружающей среды 20 °C.
Электротехнические данные двигателя насоса – 1 фаза/220 В/50 Гц, 1400 об/мин, мощность 0,37 кВт.
Охлаждение насоса и двигателя обеспечивает вентилятор.
Уровень шума модели (UNI EN ISO 2151 - K 3dB) не более 52 дБ (А).
Конструкция насоса DVP RC.4D
Что входит в стандартное оснащение насосов DVP RD, RC
- Насос.
- Масло для первой заправки насоса.
- Газобалластный клапан.
- Кнопка включения насоса и кабель с электрической вилкой (только в однофазных моделях RD.2D, RC.4D, RC.8D).
- Обратный клапан в моделях RD.2D и RC.50M. А в моделях RC.4, RC.8 установлена еще более продвинутая система для предотвращения попадания масла в вакуумную систему в случае нарушения подачи питания.
- Устройство защиты двигателя от перегрузки (только в однофазных моделях RD.2D, RC.4D, RC.8D).
- Выхлопной фильтр.
- Виброизолирующие ножки.
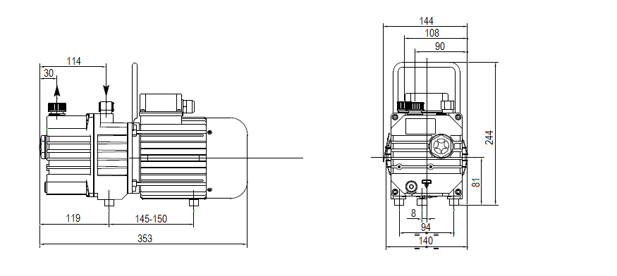
Габаритный чертеж насоса DVP RC.4D




































_1.jpg)






























































































































































































































































Гарантия 12 мес.