Описание модели DGX 200/2/80A A0CM5
Погружной фекальный насос Zenit DGX 200/2/80A A0CM5 подходит для работы в умеренных кислотных или щелочных средах, а также в растворах солей. Находит применение в химическом и фармацевтическом производстве.
Корпус модели и открытая многоканальная крыльчатка изготовлены из нержавеющей стали. Большой свободный интегральный просвет обеспечивает наибольшую защиту от загрязнения и заклинивания насоса. Свободный проход твердых частиц составляет до 60 мм.
У насоса горизонтальный фланцевый напорный патрубок 80 мм и удобная рукоятка из хромоникелевой нержавеющей стали. Комплект уплотнений, состоит из двух механических уплотнений из карбида кремния, оппозитно установленных и смазывающихся маслом.
Насос оборудован системой кабельной муфты для обеспечения отличной водонепроницаемости, устанавливается на грунт на встроенную опору из нержавеющей стали. Максимальная глубина погружения 20 метров.
Производительность насоса колеблется от 4 до 61 м3/час (66 - 1016 л/мин), напор до 8,1 м вод. ст. При этом оптимальная рабочая точка 43,2 м3/час (720 л/мин) при давлении 3,5 м вод. ст.
Насос работает на базе однофазного двигателя мощностью 1,5 кВт, 2Р/2900 об/мин, 220 В/50 Гц, IP 68.
Двигатель оборудован тепловой защитой, рассчитан на 30 запусков в час.
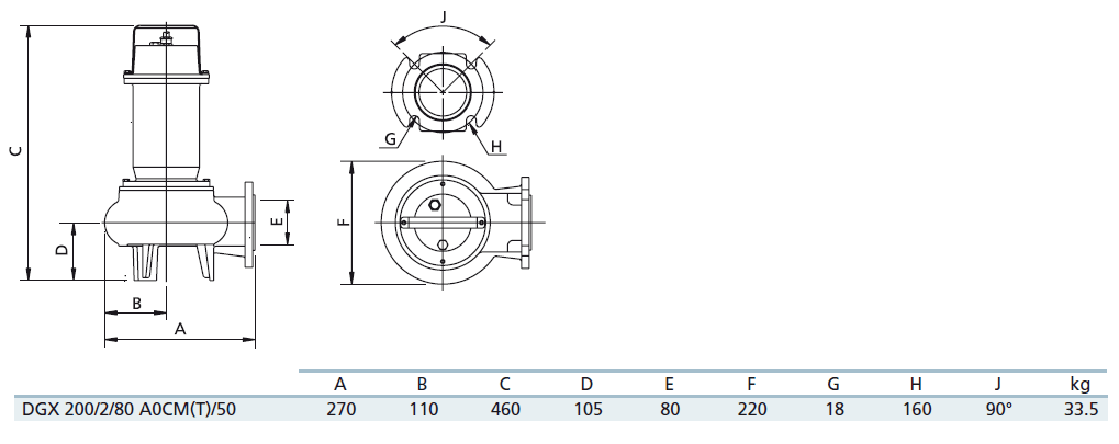
Габаритный чертеж насоса Zenit DGX 200/2/80A A0CM5
Кривые производительности
У нас пока нет отзывов по этой модели.
В настоящее время никто вопросов не задавал. Вы можете быть первым.




































_1.jpg)




























































































































































































































































