Описание модели DGX 200/2/G50V A0CM5
Погружной фекальный насос Zenit DGX 200/2/G50V A0CM5 подходит для работы в умеренных кислотных или щелочных средах, а также в растворах солей. Находит применение в химическом и фармацевтическом производстве.
Корпус модели и открытая многоканальная крыльчатка изготовлены из нержавеющей стали. Большой свободный интегральный просвет обеспечивает наибольшую защиту от загрязнения и заклинивания насоса. Свободный проход твердых частиц составляет до 38 мм.
У насоса вертикальный резьбовой патрубок 2” (50 мм) и удобная рукоятка из хромоникелевой нержавеющей стали. Комплект уплотнений, состоит из двух механических уплотнений из карбида кремния, оппозитно установленных и смазывающихся маслом. Двигатель находится в масляной камере, обеспечивающей защиту от перегрева.
Насос оборудован системой кабельной муфты для обеспечения отличной водонепроницаемости, устанавливается на грунт на встроенную опору из нержавеющей стали. Максимальная глубина погружения 20 метров.
Производительность насоса колеблется от 4,2 до 38 м3/час (70 - 633 л/мин), напор до 14,9 м вод. ст. При этом оптимальная рабочая точка 25,2 м3/час (420 л/мин) при давлении 6,7 м вод. ст.
Насос работает на базе однофазного двигателя мощностью 1,5 кВт, 2Р/2900 об/мин, 220 В/50 Гц, IP 68.
Двигатель оборудован тепловой защитой, рассчитан на 30 запусков в час.
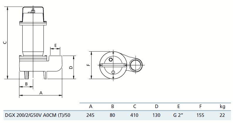
Габаритный чертеж насоса Zenit DGX 200/2/G50V A0CM5
Кривые производительности
У нас пока нет отзывов по этой модели.
В настоящее время никто вопросов не задавал. Вы можете быть первым.




































_1.jpg)




























































































































































































































































