Описание модели 25CQ-15/2-304/C
Герметичный насос 25CQ-15/2-304/C из нержавеющей стали с приводом через магнитную муфту может перекачивать органические и неорганические кислоты, соединения, щелочи, нейтральные растворы, летучие жидкости плотностью до 1,3 кг/дм3 (1300 кг/м3). Статическое магнитное уплотнение насоса обеспечивает герметичность, и полностью исключает риск утечки перекачиваемого материала. Насос рассчитан на промышленное применение в нефтяной, химической, фармацевтической, гальванической, пищевой, металлургической, электротехнической, научно-исследовательской отрасли.
Производительность насоса до 8,1 м3/ч (135 л/мин), напорное давление до 16 м.вод.ст.
Рабочая точка модели 5,4 м3/ч при 15 м.вод.ст.
Всасывающий патрубок DN 25 мм. Нагнетательный патрубок DN 20 мм.
Насос оборудован трехфазным двигателем 380 В, 2900 об/мин (2Р), мощностью 1,1 кВт.
Во избежание критической нагрузки на двигатель важно учитывать допустимую плотность перекачиваемой жидкости. Также перекачиваемая жидкость не должна быть вязкостью выше 50 сСт.
Конструкция и основные материалы исполнения модели
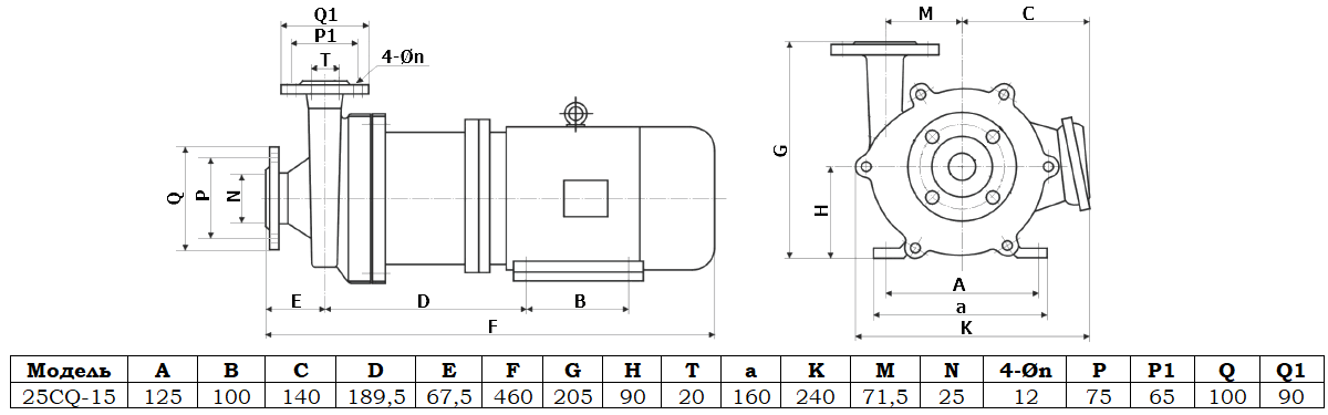
Габаритный чертеж насоса Vetlan 25CQ-15/2-304/C
Условия эксплуатации
- Плотность перекачиваемой жидкости 1,3 кг/дм (в зависимости от модели)
- Допустимый диапазон температуры окружающей среды составляет от 0 до +40 °C
- Допустимый диапазон температуры жидкости составляет от 0 до +120 °C
- Горизонтальная установка
- Не допускается работа насоса в режиме сухого хода (без жидкости)




































_1.jpg)





























































































































































































































































Гарантия 12 мес.
