Видео
Анимация: принцип работы
Как работает центробежный насос с магнитной муфтой
Выбираем насос для химии
Как выбрать насос для кислоты и другой химии
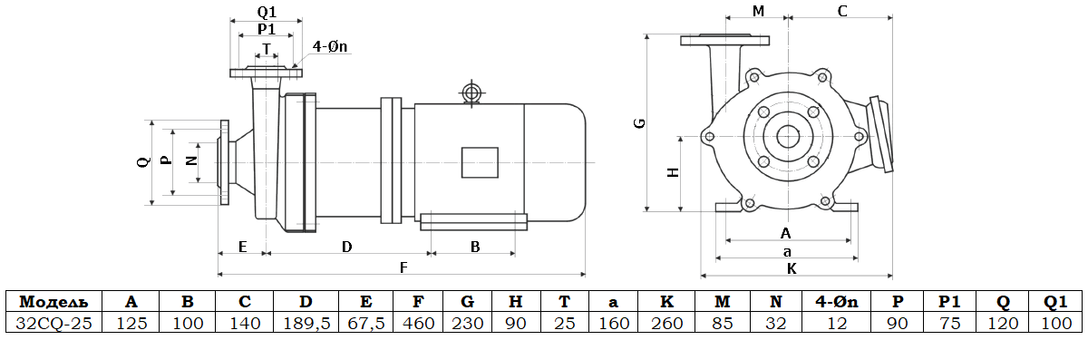
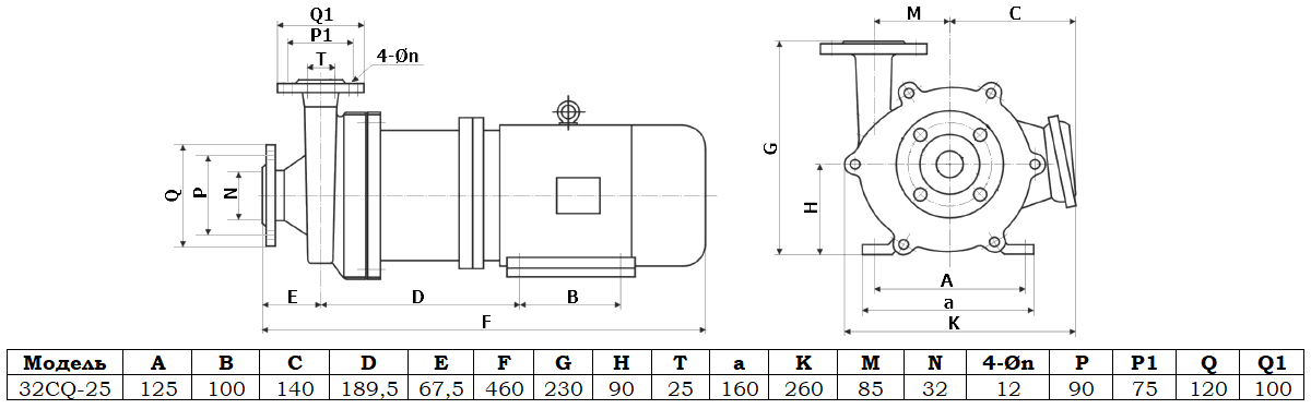
Описание модели 32CQ-25/2-304/C
Герметичный насос 32CQ-25/2-304/C из нержавеющей стали с приводом через магнитную муфту может перекачивать органические и неорганические кислоты, соединения, щелочи, нейтральные растворы, летучие жидкости плотностью до 1,3 кг/дм3 (1300 кг/м3). Статическое магнитное уплотнение насоса обеспечивает герметичность, и полностью исключает риск утечки перекачиваемого материала. Насос рассчитан на промышленное применение в нефтяной, химической, фармацевтической, гальванической, пищевой, металлургической, электротехнической, научно-исследовательской отрасли.
Производительность насоса до 8,4 м3/ч, напорное давление до 28 м.вод.ст.
Рабочая точка модели 6,6 м3/ч при 25 м.вод.ст.
Всасывающий патрубок DN 32 мм. Нагнетательный патрубок DN 25 мм.
Насос оборудован трехфазным двигателем 380 В, 2900 об/мин (2Р), мощностью 1,1 кВт.
Во избежание критической нагрузки на двигатель важно учитывать допустимую плотность перекачиваемой жидкости. Также перекачиваемая жидкость не должна быть вязкостью выше 50 сСт.
Конструкция и основные материалы исполнения модели
Условия эксплуатации
- Плотность перекачиваемой жидкости 1,3 кг/дм (в зависимости от модели)
- Допустимый диапазон температуры окружающей среды составляет от 0 до +40 °C
- Допустимый диапазон температуры жидкости составляет от 0 до +120 °C
- Горизонтальная установка
- Не допускается работа насоса в режиме сухого хода (без жидкости)
Габаритный чертеж насоса Vetlan 32CQ-25/2-304/C




































_1.jpg)





























































































































































































































































Гарантия 12 мес.
