Видео
Анимация: принцип работы
Как работает центробежный насос с магнитной муфтой
Выбираем насос для химии
Как выбрать насос для кислоты и другой химии
Описание модели DB22P-B-35 с э/д 7.5/380В
Герметичный насос с магнитной муфтой Finish Thompson DB22P-B-35 (США) позволяет перекачивать химически активные жидкости. Корпус насоса выполнен из армированного стекловолокном полипропилена.
Насос обеспечивает производительность от 3 до 43 м3/час (от 50 до 716 л/мин) и напор до 45 метров. Рабочая точка по производительности 32 м3/ч при давлении 38,3 м.в.ст. Насос оснащен трехфазным электродвигателем 7,5 кВт.
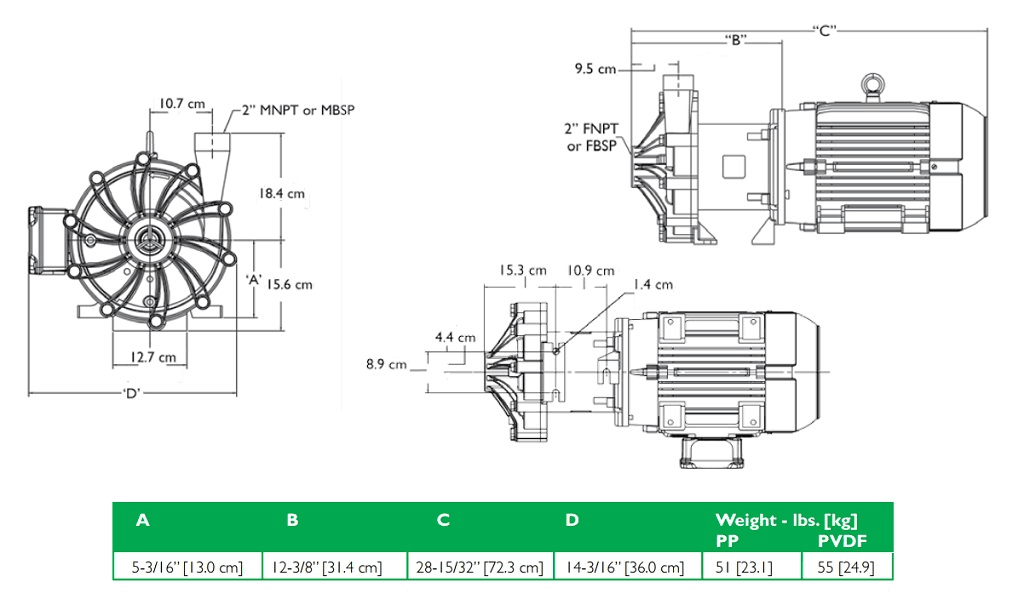
Масса насосной части 23,1 кг. К этим цифрам следует прибавить массу двигателя (7,5/2900) около 43 кг. Насос DB22P-B-35 оснащен закрытым рабочим колесом диаметром 184 мм. Перекачиваемые жидкости могут быть плотностью до 1,12 кг/дм3.
Патрубки насоса DB22P-B-35 могут быть резьбовыми или фланцевыми (резьба по умолчанию, фланцы по запросу).
В комплект поставки входит насосный агрегат в сборе в коробке, инструкция на русском языке, гарантия составляет 1 год.
Могут ли насосы DB работать в режиме сухого хода?
Материалы конструкции

|
|
Деталь насоса | Модели из полипропилена | Модели из PVDF |
| 1 | Крышка насоса |
Полипропилен, армированный стекловолокном
|
PVDF, армированный углеродным волокном
|
| 2 | Рабочее колесо |
Полипропилен, армированный стекловолокном
|
PVDF, армированный углеродным волокном
|
| 3 | Внутренняя крышка рабочей камеры
|
Полипропилен, армированный стекловолокном
|
PVDF, армированный углеродным волокном
|
| 4 | Подшипник скольжения | Алюминиевая керамика высокой чистоты, карбид кремния | |
| 5 | Стопорное кольцо | Алюминиевая керамика высокой чистоты | |
| 6 | Шайба крепления импеллера | PTFE с добавлением дисульфида молибдена, карбид кремния | |
| 7 | Магниты ведомой части магнитной муфты
|
Неодимовые магниты в оболочке из полипропилена
|
Неодимовые магниты в оболочке из PVDF
|
| 8 | Ведущая часть магнитной муфты
|
Никелированные неодимовые магниты / сталь | |
| 9 | Втулка | По умолчанию из карбона, по заказу - из тефлона, алюминиевой керамики высокой чистоты или карбида кремния | |
| 10 | Вал | Алюминиевая керамика высокой чистоты, хастеллой С, карбид кремния | |
| 11 | Уплотнительное кольцо | FKM, EPDM (Simriz, Kalrez) | |
| 14 | Корпус двигателя | Сталь | |

График рабочих характеристик насоса Finish Thompson DB22P-B-35 с э/д 7.5/380В
Габаритный чертеж насоса Finish Thompson DB22P-B-35 с э/д 7.5/380В




































_1.jpg)




























































































































































































































































Гарантия 12 мес.