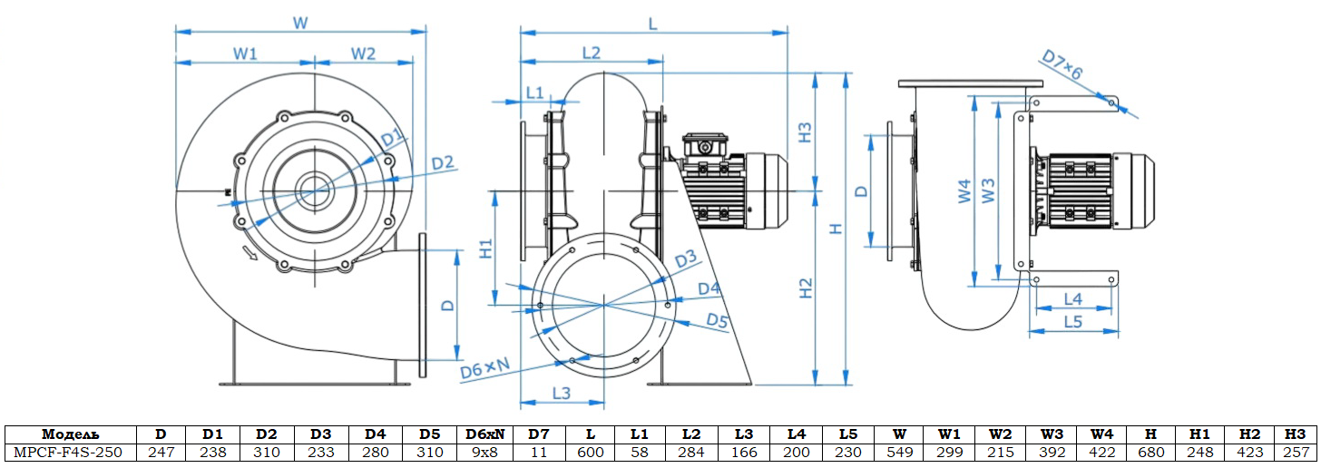
Описание модели MPCF-F4S-250
Центробежный полипропиленовый вентилятор Zenova Fans MPCF-F4S-250 служит для удаления дыма и агрессивных паров, применяется в системах вентиляции цехов, лабораторий, складов. От линейки Zenova Fans MPC эти вентиляторы отличаются фланцевым присоединением. Вентилятор рассчитан на подачу воздушных масс повышенной влажности, рабочее колесо выполнено из полипропилена, корпус из полиэтилена.
Температура перемещаемой среды до 60 °C.
Объёмный расход воздуха (производительность) до 4663 м3/ч, нагнетаемое давление 517 Па (максимальные и номинальные значения производительности и давления измерены с точностью +/- 15%).
Присоединительные отверстия фланцевые, диаметром 250 мм.
Вентилятор оборудован асинхронным однофазным двигателем 220 В, 1,5 кВт, 4P, 1400 об/мин.
Управление скоростью выполняется с помощью преобразователя частоты.
Звуковое давление 76 дБ.
Габаритный чертеж модели Zenova Fans MPCF-F4S-250
График характеристик модели Zenova Fans MPCF-F4S-250
Конструкция
Конструкция вентиляторов включает в себя спиральный корпус (улитка), рабочее колесо, электродвигатель, кронштейн со стендом. Все элементы выполнены из химически стойких, не чувствительных к коррозии, материалов.
- Спиральный поворотный корпус изготовлен из полиэтилена (PE) белого цвета. Предусмотрено восемь стандартных положений корпуса с шагом 45°.
- Патрубки – фланец, размером 150, 200, 250 мм.
- Одностворчатое рабочее колесо с загнутыми назад лопатками выполнено из полипропилена (PP), сбалансировано по стандарту G 2,5 по DIN ISO 1940.
- Двигатель находится за пределами воздушного потока. Скорость двигателя может регулироваться преобразователями частоты в пределах 35-65 Гц (преобразователь частоты не входит в комплект)
- Кронштейн и металлический стенд покрыты эпоксидной краской в цвет двигателя. Крепежные элементы из нержавеющей стали 304.
Конструкция позволяет отсоединять двигатель без отстыковки корпуса вентилятора от вытяжного канала.
Условия эксплуатации
- Температура перемещаемой среды до 60 °C
- Температура окружающей среды от -20 до 40 °C. Допустима эксплуатация на улице, но обязательно под навесом.
- Высота установки над уровнем моря не более 1000 м.




































_1.jpg)






























































































































































































































































Гарантия 18 мес.